簡介
多級壓縮製冷,是指來自蒸發器的製冷劑蒸氣要經過低壓與高壓壓縮機多次壓縮後,才進入冷凝器。可以在多次壓縮中間設定中間冷卻器。多級壓縮製冷循環系統可以是由多台壓縮機組成的多機(低壓級壓縮機和高壓級壓縮機)多級系統,也可以是由一台壓縮機組成的單機多級系統,其中一個或多個汽缸作為高壓缸,其餘幾個汽缸作為低壓缸。
採用多級壓縮製冷的原因
製冷系統的冷凝溫度(或冷凝壓力)決定於冷卻劑(或環境)的溫度,而蒸發溫度(或蒸發壓力)取決於製冷要求。由於生產的發展,對製冷溫度的要求越來越低,因此,在很多製冷實際套用中,壓縮機要在高壓端壓力(冷凝壓力)對低壓端壓力(蒸發壓力)的比值(即壓縮比)很高的條件下進行工作。由理想氣體的狀態方程 Pv/T≡C可知,此時若採用單級壓縮製冷循環,則壓縮終了過熱蒸氣的溫度必然會很高(V一定,P↑→T↑),於是就會產生以下許多問題。
1.壓縮機的輸氣係數λ大大降低,且當壓縮比≥20時,λ=0。
2.壓縮機的單位製冷量和單位容積製冷量都大為降低。
3. 壓縮機的功耗增加,製冷係數下降。
4. 必須採用高著火點的潤滑油,因為潤滑油的粘度隨溫度升高而降低。
5. 被高溫過熱蒸氣帶出的潤滑油增多,增加了分油器的負荷,且降低了冷凝器的傳熱性能。
綜上所述,當壓縮比過高時,採用單級壓縮循環,不僅是不經濟的,而且甚至是不可能的。為了解決上述問題,滿足生產要求,實際中常採用帶有中間冷卻器的雙級壓縮製冷循環。但是,雙級壓縮製冷循環所需的設備投資較單級壓縮大的多,且操作也較複雜。因此,採用雙級壓縮製冷循環並非在任何情況下都是有利的,一般當壓縮比≥8時,採用雙級壓縮較為經濟合理。
以上分析可以看成是單級壓縮的局限性,另一原因就是採用多級壓縮的必要性和其特性決定。
雙級壓縮製冷
定義
兩級壓縮製冷循環,是指來自蒸發器的製冷劑蒸氣要經過低壓與高壓壓縮機兩次壓縮後,才進入冷凝器。可以在兩次壓縮中間設定中間冷卻器。兩級壓縮製冷循環系統可以是由兩台壓縮機組成的雙機(其中一台為低壓級壓縮機,另一台為高壓級壓縮機)兩級系統,也可以是由一台壓縮機組成的單機兩級系統,其中一個或兩個汽缸作為高壓缸,其餘幾個汽缸作為低壓缸,其高、低壓汽缸數量比一般為1:3或1:2。
基本類型
雙級壓縮製冷循環由於節流方式和中間冷卻程度不同而有不同的循環方式,通常分為:
1.一次節流、中間完全冷卻的兩級壓縮製冷循環
2.一次節流、中間不完全冷卻的兩級壓縮製冷循環
3.一次節流、中間完全不冷卻的兩級壓縮製冷循環
4.兩次節流、中間不完全冷卻的兩級壓縮製冷循環
5.兩次節流、中間完全冷卻兩級壓縮製冷循環
具體介紹
(1)一次節流是指向蒸發器供液的製冷劑液體直接由冷凝壓力節流至蒸發壓力的節流過程。
(2)二次節流是指向蒸發器供液的製冷劑液體先由中間冷卻器前的節流器從冷凝壓力節流至中間壓力,再由蒸發器前的節流器將中間壓力下的製冷劑液體節流至蒸發壓力的過程。
(3)中間完全冷卻:是指在中間冷卻過程中,將低壓級排出的過熱蒸氣等壓冷卻到中間壓力下乾飽和蒸氣的冷卻過程。
(4)中間不完全冷卻:是指在中間冷卻過程中,將低壓級排出的過熱蒸氣等壓冷卻降低溫度而未達到乾飽和狀態的冷卻過程。
(5)中間完全不冷卻:是指在兩級壓縮循環中不採用中間冷卻的方式。
相比之下,一次節流系統比較簡單,且可以利用其較大的壓力差實現遠距離或高層冷庫的供液。因此實踐中採用的基本上都是一次節流兩級壓縮製冷循環系統。除此,節流方式的確定於製冷壓縮機的種類及製冷系統冷負荷的穩定性有關。
一級節流中間完全冷卻
這個系統的特點是採用盤管式中間冷卻器。它既有兩級節流的減少節流損失效果,又起到對低壓級排氣完全冷卻的作用。
多級壓縮製冷其工作過程是:
在蒸發器中產生的低壓低溫製冷劑蒸氣(狀態1),被低壓壓縮機吸入並壓縮成中間壓力的過熱蒸氣(狀態2),然後進入同一壓力的中間冷卻器,在中冷器內被冷卻成乾飽和蒸氣(狀態3)。中壓乾飽和蒸氣又被高壓壓縮機吸入並壓縮到冷凝壓力的過熱蒸氣(狀態4),隨後進入冷凝器被冷凝成製冷劑液體(狀態5)。然後分成兩路,一路經膨脹閥節流降壓後(狀態6)進入中間冷卻器,大部分液體從另一路進入中間冷卻器的盤管內過冷(狀態7),但由於存在傳熱溫差,故其在盤管內不可能被冷卻到中間溫度,而是比中間溫度一般高△t=3-5℃。過冷後的液體再經過主膨脹閥節流降壓成低溫低壓的過冷液(狀態8),最後進入蒸發器吸熱蒸發,產生冷效應。
這種循環系統只適用於R717與R22的雙級製冷循環系統中。
一次節流中間不完全冷卻的兩級壓縮製冷
一次節流中間不完全冷卻的雙級循環,主要適用於氟利昂製冷裝置,採用回熱循環。這種循環系統的特點是:製冷劑主流先經盤管式中間冷卻器過冷,再經回熱器進一步冷卻;且低壓壓縮機的吸氣有較大的過熱度;此外,低壓級的排氣沒有完全冷卻到飽和狀態。
多級壓縮製冷其工作過程為:從蒸發器出來的蒸汽被低壓壓縮機吸入,壓縮到中間壓力並與中冷器出來的乾飽和蒸汽在管路中進行混合,使從低壓機排出的過熱蒸汽被冷卻後再進入高壓壓縮機,經壓縮到冷凝壓力並進入冷凝器,冷凝後的高壓製冷劑液體進入了中冷器的蛇形盤管進行再冷卻,最後經膨脹閥進入蒸發器吸熱蒸發。
這種循環系統,只適用於R12或R22的雙級製冷循環系統中,而決不能用於氨的製冷系統中。
一級節流中間完全不冷卻循環
所謂中間完全不冷卻是指在兩級壓縮循環中不採用中間冷卻的方式。
多級壓縮製冷二級節流中間完全冷卻循環
二級節流中間完全冷卻的雙級壓縮製冷循環的工作過程是:
來自蒸發器的製冷劑飽和蒸氣(狀態1點)被低壓級壓縮機吸入,並壓縮到中間壓力pm(狀態2點),排入中間冷卻器,被其中的製冷劑液體冷卻成為飽和蒸氣(狀態3點),同時中間冷卻器中的一部分液體製冷劑吸熱變為飽和蒸氣,兩者一起進入壓縮機高壓級,再次被壓縮到冷凝壓力pk(狀態4點),進入冷凝器並冷凝成飽和液體(狀態5點),經節流閥A降壓到中間壓力pm(狀態6點),並進入中間冷卻器而分離成蒸氣和液體兩部分。在中間冷卻器中,液體製冷劑的一小部分用於冷卻低壓級的排氣變成蒸氣,並隨同低壓排氣、節流產生的蒸氣一同被高壓級吸回;液體製冷劑的大部分(狀態7點)則經節流閥B節流到蒸發壓力p0(狀態8點),並進入蒸發器製取冷量,循環如此周而復始地進行。
二級節流中間完全冷卻的優點是可以消除一級節流中間冷卻器盤管的傳熱溫差。因此,在其他參數相同時,循環的製冷係數比一級節流略高。它的缺點是當壓縮機排氣中含油時,特別是對氨制冷機,會在中間冷卻器中積油,對活塞式、螺桿式製冷系統不太適宜,而較適宜於氨離心式製冷系統。
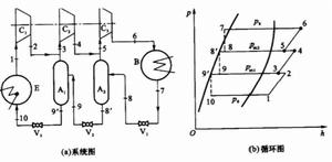
多級壓縮製冷二級節流中間不完全冷卻
這一循環適宜於氟利昂離心式制冷機。二級節流中間不完全冷卻循環的系統原理圖和壓-焓圖如上圖所示。進入蒸發器的製冷劑先由節流閥A節流到狀態6,再由節流閥B節流到狀態8。進入壓縮機高壓級的製冷劑蒸氣系由中間冷卻器出來的狀態3'的飽和蒸氣和壓縮機低壓級排出的(狀態2)過熱蒸氣相混合,其狀態3為中間壓力下的過熱蒸氣。
多級壓縮製冷多級離心壓縮製冷循環
如下圖為多級離心壓縮製冷循環的系統圖和循環圖,多級離心壓縮製冷是二級壓縮製冷的複雜版。
多級壓縮製冷