壓力控制迴路
壓力控制迴路是利用壓力控制閥作為迴路的主要控制元件,控制整個液壓系統或局部系統壓力的迴路,以滿足執行元件輸出所需要的力或力矩的要求。在各類機械設備的液壓系統中,保證輸出足夠的力或力矩是設計壓力控制迴路最基本的條件。壓力控制迴路的基本類型包括調壓迴路、減壓迴路、保壓迴路、增壓迴路、平衡迴路和卸荷迴路等
增壓迴路分類
當系統或系統的某一支油路需要壓力較高但流量又不大的壓力油時,如果採用高壓泵不夠經濟,或者根本就沒有必要增設高壓力的液壓泵,則可以採用增壓迴路。採用增壓迴路,不僅易於選擇液壓泵,而且系統T作較可靠,噪聲小。增壓迴路中壓力的增高是由增壓缸或增壓器實現的。
1、單作用增壓缸的增壓迴路
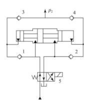
下圖所示為單作用增壓缸的增壓迴路,單作用增壓缸中有大、小兩個活塞,並由一根活塞桿連線在一起。當系統處於圖示位置時,壓力為P的液壓油進入增壓器的大活塞腔,此時在小活塞腔即可得到壓力為p的高壓液壓油,且增壓的倍數等於增壓器大、小活塞的工作面積之比。當二位二通電磁換向閥的右位接人系統時,增壓器的活塞返回,補油箱中的液壓油經過單向閥補入小活塞腔。這種迴路只能問斷增壓,所以稱為單作用增壓迴路。
單作用增壓缸的增壓迴路單作用增壓器的增壓迴路不能獲得連續的高壓油,因此只適用於液壓缸需要較大單向作用力而行程較短的液壓系統中。
2、雙作用增壓缸的增壓迴路
下圖所示為雙作用增壓缸的增壓迴路,能連續輸出高壓油。雙作用增壓缸中有大活塞一個、小活塞兩個,並由一根活塞桿連線在一起。在圖示位置時,泵輸出的液壓油經過換向閥5和單向閥i進入增壓器的左端大、小活塞腔,右端大活塞腔的回油通油箱,右端小活塞腔增壓後的高壓油經過單向閥4輸出,此時單向閥2、3被關閉;當活塞移到右端時,換向閥5通電換向,活塞向左移動,左端小活塞腔輸出的高壓油經過單向閥3輸出。這樣,增壓器的活塞不斷地往復運動,兩端便交替輸出高壓油,實現連續增壓。
雙作用增壓缸的增壓迴路套用
目前國內外常規液壓系統的最高壓力等級只能達到32~40mpa,當需要更高壓力等級的油源時,可以通過增壓迴路等方法實現這一要求。增壓迴路用來使系統中某一支路獲得比系統壓力更高的壓力源,增壓迴路中實現油液壓力放大的主要元件時增壓器,增壓器的增壓比取決於增壓器大,小活塞的面積之比。

