工作原理
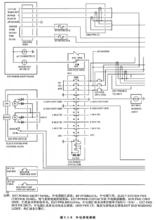
地面電源裝置如圖5.1.8所示是外電源的部分電路圖,下面分析其工作原理。
①將外電源接到外電源插孔 EPR上,接通P34板上紅色的外電源熱匯流條(EXT PWR HOT BUS)警告燈。這時連線到BPCU的DC互鎖電路接通,並且BPCU自動檢查外部電源供電質量。如果外電源電壓、頻率及相序正確,在P30面板上的白色交流電源連線(AC PWR CONNECTED)燈亮。在B757的電氣系統控制臺上有白色外電源指示燈,如果外電源沒有選擇,P30板上電源不在使用中(PWR NOT IN USE)的指示燈清晰點亮。
②在外電源控制系統面板上的外電源(EXT PWR)開關觸發,接通電源系統,即一旦按下這個開關立即接通電源系統。匯流條功率控制單元BPCU引起輔助電源斷路器和先前接通的發電機電路斷開,BPCU給外電源接觸器供電。在控制臺上的外電源可用(EXT PWR AVAIL)和外電源燈亮,P30面板上交流電源連線(AC PWR CONNECTED)燈亮,P30板上的外電源不用燈(PWR NOT IN USE)將關閉,再按下EXT PWR開關斷開外電源。
③如果發動機啟動.當轉速足夠高時,發電機發出的電壓符合要求,EPC將接通。發電機電路斷路器接通,電源由主發電機提供。按下外電源(EXT PWR)開關.將接通外電源與匯流條。
④如果外電源電流超過每相330±70 A,則BPCU將斷開外電源。
分類
發動機的啟動,機場上裝卸貨過程中的某些輔助設備(例如照明設備)的工作以及例 行維修檢查過程中的電氣系統的測試都需要電力供應。雖然飛機蓄電池可以短時間為機載用 電設備供電,甚至用於啟動發動機,但它的容量不允許它在地面上廣泛使用。因此,地面檢 修機載用電設備或啟動發動機時常採用地面電源,它分為地面電源車或通過市電直接轉變成 所需形式的電能的固定電源。
(1)地面電源車
地面電源車上有蓄電池或發電機,視飛機主電源類型而異。發電機由車上發動機傳動並配有調壓、穩頻和保護設備。地面電源通過電纜將電能送到飛機上的地面電源插座。飛機上的地面電源監控器用於檢測地面電源的極性、相序和質量,僅在地面電源性能滿足飛機技術要求時才接通飛機上的地面電源接觸器,將地面電源與飛機電網接通。
(2)固定電源
固定電源由中央電源和地上或地下配電網路組成。中央電源為電力變換裝置,把民用電力變換為400Hz交流電或直流電。
此外,根據電流形式,地面電源可分為直流電和交流電兩種,以直流電為主電源的小型飛機用地面直流電源,大型運輸機或以交流電為主電源的飛機採用地面交流電源。
供電線路
供電線路最基本的直流電源系統如圖5.1.2所示,它的直流電網有2個匯流條,一個是主匯流條,一個是蓄電池應急匯流條。利用電源選擇開關和地面電源插座就可進行主電源和應急電源的交替選擇供電。
外電源供電靠一個地面插頭和安裝在飛機表面的插座對接就可以工作,如圖5.1.3所示。地面直流電源插頭座為3芯的,其中2個是正端1個是負端,插座上還有快速鬆開的蓋子,在插座不用時起到保護作用。圖5.1.4是插座的連線線圖,當電源選擇開關打在外電源位置時,外電源繼電器觸點K1吸合,接通外電源電路。
使用注意事項
地面電源在設計時已經對使用過程中可能遇到的惡劣天和溫度、濕度劇烈変化等進行 了考慮,但精心的日常維護與管理可以延長地面電源的使用壽命,減少電源的故障發生率。
在使用地面電源過程中必須注意以下幾點:
(1) 地面電源車的操作,應由經過專門培訓和具有獨立工作能力的人員擔任,嚴格遵 守有關電源車的使用規定。
(2) 要儘量避免電源長期在特別潮濕的環境中暴露或使用,不使用時應該儲藏在房屋或遮陽棚中。如果需要露天放罝時,應進行雨雪防護。
(3) 在地面電源車不使用時應及時為蓄電池充電,延長使用壽命的同時,使之處於隨 時可用狀態。
(4) 保持地面電源車的插座和外殼清潔,防止異物進入電源車.或污染插座。
(5) 在停機坪發生溢油時,不準啟動地面電源車。
(6) 使用過程中注意對電源車電纜的防護,避免用力牽拉、硬物割(劃)傷或碾壓等。
(7) 當電源車向飛機供電時,司機不得離開崗位。
(8) 在將地面電源車拖(駛)離飛機時,必須確認電源插頭已斷開。
現在的螺旋槳飛機的電源系統既有24 V的,也有12 V的,因此,在連線外電源之前必 須對外電源的供電電壓進行確認,避免損壞機載電子設備。與外電源繼電器線圈串聯的二極 管雖然可以起到反極性保護的作用,但對於過電壓或欠電壓的保護卻無能為力。

