簡介
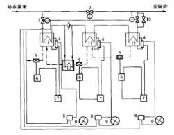
圖1回熱全面性熱力系統圖機組的回熱全面性熱力系統(如圖1)是回熱設備實際運行的系統,是在回熱原則性熱力系統基礎上考慮了所有運行工況(包括非正常工況如起、停、事故及低負荷等)下工質的流程、設備間的切換、運行的可靠性、安全性和靈活性以及總體投資的經濟性。
回熱抽汽隔離閥與止回閥
為防止汽輪機甩負荷或跳閘時,抽汽管道中積聚的蒸汽會倒流進入汽輪機本體,致使汽輪機發生意外的超速;當汽輪機低負荷運行時,或某加熱器水位太高、或加熱器水管泄漏破裂、或疏水管道不暢時,水可能倒灌到汽輪機本體,這些情況對汽輪機本體都是很危險的,不允許的;同時為了使某一加熱器在出現事故時需隔離而又不影響汽輪機的運行,需要在抽汽管道上設定抽汽隔離閥和止回閥。
圖2某廠回熱抽汽管道系統示意圖通常除了回熱抽汽壓力最低的一、二級管道外,都設有電動隔離閥和氣動控制止回閥。它們均應儘量地靠近汽輪機回熱抽汽口布置,以減少抽汽管道上可能儲存的蒸汽能量。如圖2所示。在抽汽隔離閥和止回閥上下游,設有接到疏水聯箱的疏水管路,其疏水閥由氣動控制。此外,在抽汽隔離閥與止回閥之間,還有 一根疏水、排汽管路,在停機或需要對閥門進行檢修時,打開手動疏水隔離閥,即可將該管段內的積水排盡。許多機組壓力最低的二級回熱加熱器通常布置在凝汽器喉部,該機組的二級低壓加熱器位於高壓凝汽器和低壓凝汽器喉部,所以第7、8段抽汽管路直接從抽汽口接至加熱器進口,不設任何閥門。每根抽汽管上都應裝有吸收管道熱膨脹量的膨脹節。
圖3 回熱抽汽止回閥結構及控制原始示意回熱抽汽止回閥通常採用由儀器儀表用壓縮空氣控制的翻板式止回閥,如圖3(1-閥體;2-閥蓋;3-閥盤;4-閥盤臂;5-氣缸活塞;6-彈簧;7-密封圈)所示。其中(a)抽汽翻板式止回閥結構;(b)強關裝置控制原理。止回閥主要由閥體、閥蓋、閥盤等部件組成。閥盤的一端吊掛在閥體的轉軸上,介質依靠閥盤兩邊的壓力差將閥盤繞轉軸頂開,正向流過,反之則自動關閉。該止回閥強制關閉裝置控制原理如圖3(b)所示。操作機構由電磁三通閥、試驗閥及空氣筒組成。 正常運行時,壓縮空氣可通過繼動閥直達空氣筒下部,將活塞桿頂上,帶動強關機構與止回閥轉軸嚙合片脫開,此時止回閥作為一隻自由擺動的翻板閥工作。當汽輪機的危急保全系統動作導致繼動閥動作,或加熱器出現高一高水位電磁閥動作時,壓縮空氣來源被切斷,空氣筒里的活塞桿在彈簧力作用下向下移,帶動強關機構將止回閥轉軸壓制在使閥盤關閉的位置,達到強迫切斷汽流通道的目的。試驗閥可用手動檢查止回閥的強關裝置的動作是否可靠。
表面式加熱器的疏水裝置
表面式加熱器的疏水必須及時排走,以維護汽側壓力一定,換熱面積一定,同時又不允許蒸汽流入下一級加熱器而降低熱經濟性,需要依靠疏水裝置保持適當的水位。發電廠中常用的疏水裝置有以下幾種:
1.U形水封
利用U形管中水柱高度來平衡相鄰加熱器間壓差,實現自動排水和維持一定汽側水位。U形水封一般只在壓力較低的最後一、二級低壓加熱器或軸封加熱器中使用,由於加熱器往往布置在凝汽器喉部,適宜安裝水封疏水裝置。U形管也可做成多級水封。這種疏水裝置的優點是無轉動機械部分,結構簡單,維護方便,運行可靠。缺點是設備占地面積大,需要挖深坑放置。
2.浮子式疏水器
圖4 外置浮子式疏水器及其連線系統圖4(1-槓桿;2-兩半對開環;3-滑閥;4-心軸連桿;5-心軸;6-連桿;7-滑閥桿)所示為外置浮子式疏水器及其連線系統。其中(a)外置浮子式疏水器;(b)外置浮子式疏水器連線系統。浮子式疏水器由浮子、滑閥及其相連線的一套轉動連桿機械組成。當疏水水位升高時,浮子隨之上升並通過連桿系統帶動滑閥,使疏水閥開大;反之則關小疏水閥。外置浮子式疏水器,通過汽、水平衡管和加熱器汽側相連線,以間接反映加熱器中疏水水位的變化。該疏水器多用於中、小型機組的低壓加熱器中。
3.疏水調節閥
圖5 疏水調節閥及其控制系統大機組的高壓加熱器疏水裝置多由如圖5(1-滑閥套;2-滑閥;3-鋼球;4-槓桿;5-上軸套;6-下軸套;7-心軸;8-搖桿;9-閥桿)所示的疏水調節閥及其控制系統來實現。其中(a)疏水調節閥;(b)控制系統。搖桿8繞心軸7轉動,通過槓桿4使閥桿9上下移動,從而實現疏水調節閥的啟閉。而搖桿8的動作是由控制系統來操作的。如圖5(b)所示的是電動控制系統。加熱器水位的變化信號通過殼側水位計接受並經差壓變送器、比例積分單元、操作單元,最後由電動執行機構來操作搖桿8。
軸封加熱器
軸封加熱器是表面式加熱器,且多為臥式。其加熱蒸汽為汽輪機各汽缸末端的軸封漏出的汽氣混合物,顯然它不屬於回熱抽汽,但是汽氣混合物的熱量卻利用於回熱系統中。根據軸封漏汽量的大小和能位的高低,可設一或二級軸封加熱器,並插入回熱系統中適宜的位置。由於軸封加熱器利用了汽氣混合物的熱量,提高了系統熱經濟性,此外軸封加熱器也使汽輪機軸封系統的正常運行獲得保障又防止了汽輪機車間的蒸汽污染。所以現代火電廠中都設定了軸封加熱器。軸封加熱器的疏水裝置通常為多級水封,與凝汽器熱井相連。由於加熱蒸汽流量與主凝結水流量過於懸殊,往往在主凝結水管道設定節流孔板分流一部分水流經軸封加熱器使蒸汽凝結成疏水。
表面式加熱器的水側旁路及保護裝置
表面式加熱器管束內的水壓比筒體內的汽壓高得多,在運行中若管束破裂、泄漏,壓力水會沿著抽汽管道倒流人汽輪機,造成嚴重事故。為了避免汽輪機進水、加熱器簡體超壓和鍋爐給水中斷,在設計回熱加熱系統時,必須考慮設定水側旁路系統,尤其是要求嚴格的高壓加熱器組,不僅應有適宜的旁路,而且更應有自動保護裝置。
圖6 高壓加熱器的旁路示意圖加熱器水側旁路通常有單個加熱器的小旁路和兩個加熱器以上的大旁路兩種。單個加熱器的小旁路運行靈活,事故波及面小對熱經濟性的影響也小,但系統複雜、連線管路及管制件多,投資大。 大旁路則剛好相反,系統簡單,但事故波及面大,對熱經濟的影響大,隨著高壓加熱器製造質量的提高,大旁路也套用較多。如某660MW機組的三台高壓加熱器中,壓力最高的加熱器設定一小旁路,壓力次之的兩台加熱器設定一大旁路,如圖6所示。額定工況運行時的給水溫度為271.1℃,除氧器出水溫度為185.5℃。若大旁路內的加熱器發生故障,由於壓力最高的加熱器設計有一定富餘量,此時給水溫度為253.2℃,下降相對要小些;若壓力最高壓加熱器熱器發生故障,給水溫度仍可達254.6℃,下降也不很多。這種一大一小旁路的設定是較合理的。
圖7 低壓加熱器的旁路示意圖低壓加熱器組也有另外的考慮,仍以660MW機組中4台低壓加熱器為例。將壓力最低的2台加熱器和壓力次之的另兩台加熱器分別設定了大旁路,必要時(如除氧器上水時)通過切換閥門可將主凝結水直接輸入除氧器。如圖7所示。
圖8 高壓加熱器水壓液動自動旁路裝置示意圖鍋爐給水不允許中斷,所以現代大型火電機組的高壓加熱器均配有水側自動旁路保護裝置,主要有水壓液動控制和電動控制兩種。圖8(1、3、5-截止閥;2-過濾閥;4-快速啟閉閥;6-開閥電磁鐵;7-閉閥電磁鐵;8-啟閉閥旁通閥;9-節流孔板;10-活塞缸;11-高壓加熱器入口聯成閥;12、13、14-3、2、1號高壓加熱器;15-高壓加熱器出口止回閥)所示為國產高壓加熱器水壓液動自動旁路裝置示意圖。該旁路採用3台加熱器的大旁路。該裝置在水側進口和出口裝有靠液壓操縱活塞而動作的人口聯成閥11和出口止回閥15,入口聯成閥是外置活塞機構,控制水來自凝結水(0.78—0.98MPa);電磁閥為快速啟閉閥。若高壓加熱器出現故障,水位上升至發出信號使電磁閥7動作,聯成閥11上部活塞10在水壓作用下自動關閉入口聯成閥11,隔斷了給水進入加熱器的通路,同時出口止回閥因下部失去水壓而落下關閉,給水由旁通管至加熱器出口,完成旁路,整個動作時間為2s。此時給水溫度為除氧器出口水溫度。
該裝置在水側進、出口管路上還裝有電動閘閥和旁路電動閘閥,其目的是將整個高壓加熱器組解列,以便對其進行檢修。另外為保護高壓加熱器的安全,水側、汽側均裝有安全閥,筒體還設有排氣系統(啟動和正常運行時排氣),該系統能排除蒸汽停滯區內的不凝結氣體,改善傳熱環境,減少加熱器的腐蝕。
圖9高壓加熱器電動旁路裝置示意圖圖9(1-電動出口閥;2-電動旁通閥;3-電動入口閥;4-水位信號器;5-迴轉調節器;6-執行機構;7-凋節器;8-繼電器;9-信號燈;10-啟動注水器;11-高壓加熱器;12-疏水冷卻器)為高壓加熱器水側旁路採用電動控制保護示意圖。該裝置中,給水進口閥3、出水閥1及旁通閥2均為電動的,它們同時受3台高壓加熱器的3個繼電器控制。每台高壓加熱器都裝有1個帶電接點的水位信號器4,它可發出兩個信號,一是在正常範圍內調節,保持加熱器水位;二是在加熱器發生水管破裂或泄漏等故障時,水位升至極限位置,繼電器動作發出電信號,加熱器的進出口閥門關閉,旁通閥打開,給水由旁通管道直供鍋爐,同時信號燈發出閃光信號,表示電動旁通裝置已動作。顯然該旁路屬於大旁路,系統較簡單,操作方便,投資也省,如有的600MW機組的高壓加熱器水側旁路即是如此。也有大機組的高壓加熱器組水側旁路採用小旁路的,如某300MW機組的3台高壓加熱器都有自己的旁路,該系統運行靈活,事故影響面小。針對具體的機組究竟採用大旁路、小旁路或大小兼顧要通過技術經濟比較來確定。
回熱系統中的抽空氣管路
各加熱器汽側與加熱蒸汽管道相連,運行中蒸汽不斷凝結成疏水,而蒸汽中含有部分不凝結性氣體則會在筒體中停留,影響加熱器中的傳熱係數值。為此在加熱器汽側設定了抽空氣管道以排除不凝結性氣體。通常低壓加熱器抽空氣系統與凝汽器的真空維持系統相連線,為減少抽空氣過程中攜帶蒸汽造成的熱損失和降低抽氣器負擔,在抽氣管路上設定有節流孔板,用以阻止蒸汽大量流入下一級或凝汽器(見圖1)。
高壓加熱器汽側也有抽空氣管路與除氧器相連線。如圖1所示,也有將空氣直接排入大氣的。凝結水泵與疏水泵入口處也應設定抽空氣管路,分別引至凝汽器和相應加熱器的抽空氣管路,不斷抽出漏入泵內的空氣以維持泵的正常運行。
回熱系統中的水泵
回熱系統中給水泵向鍋爐提供合格給水,凝結水泵向除氧器提供凝結水,運行中都不允許中斷供水,為此給水泵和凝結水泵必須設定備用泵,按設計規程要求至少一台備用泵,圖1中所示給水泵二台運行一台備用,凝結水泵一台運行一台備用。
給水泵、凝結水泵和疏水泵的進、出水管、空氣管、疏水管上都應設定關斷閥門,為使事故時及時對設備進行隔離檢修。同時,它們的出水管上還應設有止回閥,以防止事故時或運行泵對備用泵造成水倒流時使泵反轉。
為防止給水泵在小流量情況下不能將熱量帶走而引起泵水汽化的危險,在給水泵出水管與除氧器水箱之間連線一管道,稱為給水泵再循環管,一般該管道中裝設兩個關斷閥和一個調節閥,由給水泵最小流量控制裝置自動控制,當給水小到某一值時,再循環管接通,部分給水進行再循環,當給水逐漸增加到某另一值時,再循環管切斷,全部給水經過高壓加熱器後進入鍋爐。凝結水泵出口管與凝汽器之間一般也設定有再循環管來達到同樣的目的。
回熱系統中的備用管路
由於除氧器必須高位布置,在低負荷時還必須切換到較高壓力的抽汽管,為防止在低負荷時高壓加熱器的疏水不能自流人除氧器,須設定一備用管路與相應閥門連線到相鄰的低壓加熱器,以保證低負荷時高壓加熱器的正常疏水。也有的機組將高壓加熱器疏水備用管路直接連線到疏水擴容器後進人凝汽器,如300MW最佳化引進型機組。在啟動和低負荷時疏水泵不投入運行,採用備用管路逐級自流方式運行,因此疏水泵不需設再循環管。
