定義
包絡解調指產生的輸出信號與已調信號包絡線成正比的幅度解調。
電路原理
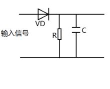
包絡解調器通常由半波或全波整流器和低通濾波器組成。它屬於非相干解調,因此不需要相干載波,廣播接收機多採用此方法。一個二極體峰值包絡解調器如下圖所示,它由二極體VD和RC低通濾波器組成。
包絡解調器
包絡解調
包絡解調
包絡解調
包絡解調
包絡解調假設輸入的是AM信號,,在大信號檢波時(一般大於0.5V),二極體處於受控的開關狀態。選擇RC滿足如下關係:,式中:是調製信號的最高頻率;是載波的頻率。這時,檢波器的輸出為,隔去直流後即可得到原信號m(t)。
技術指標
1、檢波效率(電壓傳輸係數)
包絡解調
包絡解調是檢波管的半導通角。
2、檢波失真
包絡解調
包絡解調(1)對角切割失真:時間常數太大,放電太慢,輸出電壓往往在輸入信號包絡下降的區段跟不上包絡的變化,以致在這一段時間內,二極體始終截止,輸出電壓隨二極體放電波形變化,而與輸入信號無關。
包絡解調
包絡解調(2)底部切割失真:調製係數較大時,在調製信號包絡線的負半周內,輸入信號幅值可能小於,二極體將截止。在一段時間內,輸出信號不能跟隨輸入信號包絡變化。
套用
包絡解調適用於普通調幅信號的解調,由於電路簡單、性能較好因而獲得了廣泛套用,其輸入大信號解調,一般要求輸入信號在0.5V以上。

