億光高速光耦產品列表
| 功能 | 渠道 | 8-pin DIP | 8-pin DIP 寬體 | 5-pin MFP (SO-5) | 8-pin SOP (SO-8) | |
| 高速光耦 | 每秒鐘傳輸1M比特 | 單通道 | 6N135 6N136 EL4502 | ELW135 ELW136 | ELM0452 ELM0453 | EL0500 EL0501 |
| 雙通道 | EL2530 EL2531 | —— | —— | EL0530 EL0531 | ||
| 每秒鐘傳輸10M比特 | 單通道 | 6N137 EL2601 EL2611 | ELW137 ELW2601 ELW2611 | ELM600 ELM601 ELM611 | EL0600 EL0601 EL0611 | |
| 雙通道 | EL2630 EL2631 | —— | —— | EL0630 EL0631 EL0661 | ||
| 達林頓輸出300K | 單通道 | 6N138 6N139 | —— | —— | ||
億光高速光耦產品套用
億光高速光耦被套用到的產品電源工作的原理
光耦套用到電源的哪個位置上在開關電路中,通過變壓器來形成環流電路,最後輸出電流。
在驅動電路中,通過高速光耦來做媒介,輸出電流。
固態繼電器(SSR)
固態繼電器光耦的套用Photo TRIAC
EL302X,EL305X,EL304X,
EL306X,EL308X
ELM302X,ELM305X,ELM304X,
ELM306X,ELM308X
光耦套用
高速光耦套用在空調| 空調機套用到的光耦 | 標準 | EL817,EL357N-G |
| 驅動 | EL3120 |
空調機中所套用到的光耦
驅動器所用到的光耦| 驅動器套用到的光耦 | 標準 | EL357N-G,EL3H7-G |
| 高速 | 6N136,EL0500 |

建議的使用的光耦:
8-Pin DIP:6N135,6N136,,EL2503
8-Pin SOP:EL0500,EL0501匯流排網路

·匯流排接口隔離
·隔離控制器和分析設備
(I/O,,伺服電機,控制板,流出物處理元件)
套用
·工廠自動化網路
(匯流排接口,匯流排,CC-LINK)
建議的使用設備:
5-pin SOP:ELMO452,ELMO453
8-pin DIP:EL2502,EL2503
8-pin SOP:EL0500,EL0501數據傳輸框圖
套用:
·RS485和RS-422 的隔離接口
·I²C的隔離接口

5-pin SOP:ELM600,ELMO601,ELM0611
8-pin DIP:EL2601,EL2611
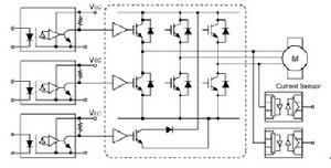
8-pin SOP:EL0500,EL0501,EL0601,EL0611]電機控制b]
電機控制·電流隔離電機線和控制積體電路
·電機驅動控制的高速開關
套用
·IPM驅動/變頻驅動
建議的使用設備:
5-pin SOP:ELM452,ELM453
8-pin DIP:EL0452,EL0453
8-pin SOP:EL0452,EL0453築控設備

·通信線路之間的隔離室控制器
·電機驅動控制的高速開關
套用:
·數據通信
·IPM驅動/變頻驅動
建議的使用設備:
5-pin SOP:ELM452,ELM453
8-pin SOP:EL0630,EL0631,EL0611
