概念詳解
偽微分回授控制是基於實際的工程控制系統,選定純積分控制為理想的控制作用,在前向通道中只設定積分控制運算,與此同時引入了末級控制元件,把低能量信號轉化為高能量信號(受最大輸出能力的限制),即將控制器的信號級指令轉換為被控對象的功率級驅動力的一種高性能控制架構。現實控制系統中,偽微分回授控制本質要求是控制系統能量的傳輸與分配,偽微分回授控制的設計思想正是基於這一實際狀況實現的。偽微分回授控制系統一般按誤差進行控制,控制器能夠對輸入的誤差信號進行運算,從而對末級控制元件產生輸出指令並調節它的能量輸出,致使被控對象往誤差減小的方向運動,可以認為它是一種採用狀態反饋的積分控制系統,在實際的工程中有很高的套用價值。
偽微分回授控制的基本思想
偽微分回授控制,最開始是由美國康奈爾大學 Phelan教授在基於大量的工程實踐基礎上提出的。西南交通大學的陳留教授在美國訪問期間,同 Phelan教授合作深層次地發展和完善了這一理論,在一階、二階和高階控制系統中都達到了比較好的效果。目前PDF控制已在機器人手臂、溫度控控制和電液伺服等系統中得到了很好的套用。按照PDF理論設計出的控制系統一般都具有優良的抗干擾能力和快速回響的能力。
實際被控制對象與其理想化的模型的一般存在很大的區別,實際對象包含非線性特徵以及其他各種因素,如靜摩擦效應和對象中固有的非黏性乾摩擦,系統自身參數的變化、元件漂移以及運動中的飽和死區和時滯等。在控制系統的研究和綜合分析中,通過數學抽象歸納出來的線性模型本來就是近似的,實際對象參數的準確識別還受很多不確定因素的影響。現階段為止,基於線性理論的工程控制系統的設計主要採用兩種傳統方法。一種是工程最佳參數設計,比如以“模最佳”為等同目標的二階工程設計和三階對稱參數設計十法。另外一種是對初步構成的控制系統進行補償校正,使回響的性能達到預先確定的時域或頻域性能指標,一般通過試探得到。這兩種傳統方法的最大缺點在於它們沒有考慮在實際工程中的一個非常重要的約束條件—驅動力的功率限制。
偽微分反饋控制是以實際工程約束條件為基礎的一種高性能控制方法。它以實際工程系統作為出發點,然後按照實際被控對象的各種性能指標來設計控制器的。在常規的控制理論中,比例( Proportional)、積分( Integral)和微分(Derivative)是最基本的三種控制規律。比例控制可以縮小誤差,但無法完全消除系統的靜態誤差;積分控制可消除系統的靜態誤差,提高系統的抗干擾能力,但會使系統回響速度變慢,超調量增大甚至可能出現振盪,有滯後現象;微分控制可以提高系統的回響速度,減小超調量增大系統阻尼,從而達到改善系統的動態性能,但是系統的抗干擾能力也會隨之減弱。從控制器的實用角度看,如果同時存在微分和積分,那么這兩個作用勢必會互相牽制,而一個良好的控制器通常需要有效地處理誤差信號,因此偽微分回授控制提出應該只設定積分這一種運算在控制器的前向通道上,即 ONE MASTER原則,這可以簡單解釋如下:
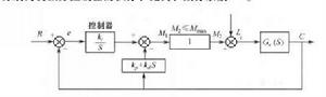
控制系統的一種表示方法用右圖來表示一個控制系統,圖中末級控制元件( FINAL CONTRAL. ELEMENT)是指在控制系統中對被控對象施加能量的元件,如電液伺服閥、功率放大器等。一般在下列三種情況下,末級控制元件需要對被控對象施加能量。
(1)當誤差e不為零時,此時需要對被控對象施加能量,促使被控量C朝著減少誤差方向變化。
(2)誤差e不為零,對被控對象施加能量時,若因乾摩擦或者死區等因素作用,被控量C無法立刻向誤差減小的方向轉變,此時需要提高能量輸入一直到被控制量C開始向著誤差減小的方向轉變為止。
(3)若誤差e已經為零,但此時產生一個外加干擾L作用,被控對象需要被施加能量,來抵消掉干擾L的影響。
在比例微分積分這三種控制作用中,比例控制能實現要求(1),但卻不能實現要求(2)和(3),但是微分運算不僅無法達到任何一條要求,而且還會給系統引發噪聲問題,相較而言,僅有積分控制規律可以同時滿足上述三個要求並能理想的過濾掉噪聲。因此偽微分回授控制提出應只有積分運算存在前向通道中。
偽微分回授控制的架構
偽微分回授控制架構圖
偽微分回授控制
偽微分回授控制
偽微分回授控制
偽微分回授控制
偽微分回授控制
偽微分回授控制
偽微分回授控制
偽微分回授控制右圖中,R為參考輸入,e是誤差信號,L是干擾信號,C是輸出信號, (S)是被控對象的傳遞函式,末級的控制單元用傳遞函式為1的方框表示, 為其低能量級的控制輸入信號, 為其高能量級控制輸出信號。因為受到實際的控制元件制約,始終有 ≤ , 、 、 分別為偽微分回授控制器的積分、比例、微分係數。
一般控制系統對控制器要求如下:
(1)對輸入的所有誤差(時變值或恆值)都應有反應;
(2)一切形式干擾產生的誤差都能夠被消除;
(3)如果被控對象沒有按指令動作,該控制器應能提供隨時間推移而遞增的輸出功率;
由PDF的控制框圖可以看出,前向通道只存在積分運算的偽微分回授控制器既可保證控制系統的回響速度又可以避免靜差。輸出信號相較於輸入信號會平滑,因此微分環節不會像傳統PID控制中產生的微分突變現象,能達到比較好的控制效果。
