簡介
熱電廠的熱化係數是小於l的,除了設定用主蒸汽減溫減壓後供汽的尖峰加熱器外抄,有時供熱系統中還設定尖峰熱水鍋爐和蒸汽蓄熱器等調峰設備來滿足尖峰熱負荷的需要。裝設在熱電廠內的尖峰熱水鍋爐是在尖峰熱負荷期用來將基本加熱器的出口水溫進一步提高到熱網設計的供水溫度自。蒸汽蓄熱器可對變化的蒸汽負荷進行輔助調節,可保證尖峰時蒸汽供熱系統和設備的穩定性和經濟性互。
尖峰熱水鍋爐
熱水鍋爐是熱電聯產集中供熱系統中承擔尖峰熱負荷的一種主要設備。尖峰熱水鍋爐可裝設在熱電廠內熱網的中部或末端動。應根據具體的工程要求,經技術經濟比較確定。裝設在熱電廠內的尖峰熱水鍋爐是在尖峰熱負荷期用來將基本加熱器的出口水溫進一步提高到熱網設計的供水溫度。裝設在熱網中部或末端的尖峰熱水鍋爐的供熱參數一般與熱電廠的供熱參數相同。熱水鍋爐目前主要有帶上鍋筒的水管鍋爐、水一火管組合鍋爐(管殼式鍋爐)和管架式鍋爐等類型。
(1)帶鍋筒的水管鍋爐
帶鍋筒的水管鍋爐的水循環方式有強制循環和自然循環兩種方式。強制循環方式是將鍋爐給水由下部並聯地分別送人鍋爐本體的水冷壁、對流管束等受熱面,在各部分人口處,應裝設閥門以調節各部分水量,使鍋爐各部分的出口水溫減小,以減小熱水鍋爐的熱偏差,防止局部出現汽化。通過調節閥門分配水量的方法,運行中不易控制,熱偏差容易增大,因此這種進水方式一般適宜於大流量、低溫差和高水壓的供熱系統上。自然循環的方式是鍋爐給水從上鍋筒進入,自上而下地自然循環,受熱後再從上鍋筒引出。自然循環符合鍋爐水對流循環的規律,在合理組織進入與出水流程,自然循環熱水鍋爐的水循環可靠,因此大型的熱水鍋爐多採用自然循環的進水方式。
(2)水-火管組合式熱水鍋爐
水-火管組合式熱水鍋爐,通常採用從雙下側下聯箱分別進水的方式。同樣也在各下聯箱進水管上安裝閥門以調節水量。由於這種鍋爐的出力不大,由於鍋筒內水流緩慢,容易出現冷熱水分層現象,甚至會由於熱應力作用而使管柵板漏水,所以鍋爐的進、出口水溫不宜大於50℃,這種鍋爐適宜於供水溫度不高(110—130℃以下)和熱負荷不大的情況。
(3)管架式鍋爐
強制循環管架(直流)式熱水鍋爐只由鋼管和聯箱構成受熱面,所以機構緊湊、重量輕、節省材料。但它的水容量較小,水循環系統多是串聯式布置。這種鍋爐採用層燃方式時,由於火床面積大,爐膛的餘熱也大,突然停電而停泵時,由於漏風仍可供20%左右的熱負荷,爐內水溫會急劇上升,從而產生局部汽化和汽水撞擊事故。
強制循環管架(直流)式熱水鍋爐是大供熱量的高溫熱水鍋爐的發展方向之一,當採用煤粉室燃的方式時,其效率可達88%一91%,且金屬耗量小,投資省。室燃方式在突然停電時,可立即切斷燃料,爐內餘熱量很小,只要在設計中採取適當措施,可以避免汽化和汽水撞擊事故。
(4)熱水鍋爐熱力系統圖
圖1 熱水鍋爐的原則性熱力系統圖 熱水鍋爐作為熱電廠外的尖峰鍋爐或大型區域熱水鍋爐時,其雙管制熱網的原則性熱力系統見圖1(1-熱水鍋爐;2-循環水泵;3-調節閥;4-旁通管;5-熱網水泵;6-淨水設備;7-補水泵;8-閥門)。熱網水在熱水鍋爐中加熱到供熱所需的溫度後,除了外供外,把其中一部分加熱後的水用循環泵2打回鍋爐人口的回水管路與回水混合。其目的是把鍋爐的人口水溫提高到煙氣的露點溫度之上,以防止低溫腐蝕,同時也使流經鍋爐的水溫保持恆定,以防止水流量低而造成的加熱管束水流不均,和由此引起的汽化和管壁局部過熱。
蒸汽蓄熱器
採用蓄熱器或利用設備的蓄熱能力是平衡短時尖峰負荷進行供熱調節的方法之一。供熱調節是在滿足用戶熱負荷要求的前提下,努力降低能源消耗和減小投資的重要方式。蒸汽蓄熱器可對變化的蒸汽負荷進行輔助調節,可保證尖峰時蒸汽供熱系統和設備的穩定性和經濟性。
採用蓄熱器或利用設備的蓄熱能力是平衡短時尖峰負荷進行供熱調節的方法之一。供熱調節是在滿足用戶熱負荷要求的前提下,努力降低能源消耗和減小投資的重要方式。水熱網的供熱系統主要採用質調節的方式。所謂質調節是指通過調節供水溫度進行供熱量調節,它可通過調整基本加熱器的抽汽壓力,投入尖峰加熱器或熱水鍋爐的方式進行。除質調節外,還利用建築物的蓄熱能力、熱水供應系統的貯水箱和熱網供回水管路的蓄熱能力,進行輔助性調節。蒸汽蓄熱器可對變化的蒸汽負荷進行輔助調節,可保證尖峰時蒸汽供熱系統和設備的穩定性和經濟性。
(1)蒸汽蓄熱器的原理和結構
圖2 變壓蓄熱器原理圖 蒸汽蓄熱器是一個容積很大的水容器,它能在系統負荷減少時從鍋爐吸收多餘蒸汽,在系統負荷增加時送出蒸汽。目前採用的主要是變壓蓄熱器。其原理見圖2(1-最高水位;2-最低水位;3-換流器;4-蒸汽分配管;5-充熱蒸汽;6-輸出蒸汽)。
變壓蓄熱器是在供熱系統中蒸汽消耗量減少時,把剩餘蒸汽引入蓄熱器水箱中,通過噴嘴與箱內的水混合,將蒸汽凝結時的汽化潛熱釋放於水中,使水的熱焓上升到引入蒸汽壓力 的相應的飽和水焓。此時水箱水位因蒸汽凝結而上升,水箱內壓力相應升高,此為蓄熱器充熱過程。反之,當用戶的蒸汽需要量增加時,管道和蓄熱器內的壓力下降,因水箱內水溫高於降低壓力後的相應飽和溫度,所以一部分水蒸發成蒸汽送往熱用戶,從而增加了供汽量。水的蒸發,使水箱內壓力降低,水的熱焓降低,水位也降低,此為蓄熱器的放熱過程。蓄熱器運行時,每一個壓力都有其相應的水位和飽和壓力,隨著系統的升高和降低,蓄熱器進行“充熱”和“放熱”過程,熱源通過此設備較平穩地適應了熱負荷地變化,起到了負荷調節的作用。蓄熱器有臥式和立式兩種,一般採用臥式,蓄熱器面積大。當採用臥式布置時,因高度低,安裝檢修方便,但占地面積大。
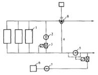
(2)蒸汽蓄熱器的連線方式
圖3 變壓蓄熱器的各種連線方案 變壓蓄熱器在系統中連線方式如圖3所示。圖3中,a和b方案進入蓄熱器和送人熱用戶的飽和蒸汽來自同一汽源。a來自鍋爐房,b來自汽輪機可調整抽汽。當熱用戶的用汽量增大時,蒸汽管內汽壓降低,蓄熱器立即放出蒸汽以彌補汽源的不足;當用戶的用汽量減少時,主汽管內的壓力升高,並向蓄熱器充熱。充汽管和放汽管合二為一。c方案中由於採用過熱蒸汽,所以必須將充汽管和放汽管分開。d和e方案中,蓄熱器是從一個高壓力的汽源充汽,向一個低壓力的汽源放汽。d中蓄熱器接在兩個調整抽汽之間,e中蓄熱器接在鍋爐出口和汽輪機抽汽口之間。當低壓抽汽消耗量增大時,由蓄熱器供給額外的蒸汽以保證蒸汽管壓力的穩定。f方案為蒸汽蓄熱器連線在鍋爐出口和背壓機組的排汽管間。
