π型濾波有RC和LC兩種,
在輸出電流不大的情況下用RC,R的取值不能太大,一般幾個至幾十歐姆,其優點是成本低.其缺點是電阻要消耗一些能量,效果不如LC電路.濾波電容取大一點效果也不錯.
LC電路里有一個電感,根據輸出電流大小和頻率高低選擇電感量的大小.其缺點是電感體積大,笨重,價格高.現在一般的電子線路的電源都是RC濾波.很少用LC濾波電路.
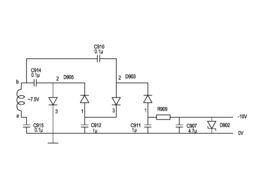
π型濾波器 
π型濾波器包括兩個電容器和一個電感器,它的輸入和輸出都呈低阻抗。因為器件排布情況而得名,π型電路因為元件多,所以其插入損耗特性比RC型和LC型更好。但是在開關電路中,可能會出現“振鈴”現象,所以用時請注意。
π型濾波有RC和LC兩種,
在輸出電流不大的情況下用RC,R的取值不能太大,一般幾個至幾十歐姆,其優點是成本低.其缺點是電阻要消耗一些能量,效果不如LC電路.濾波電容取大一點效果也不錯.
LC電路里有一個電感,根據輸出電流大小和頻率高低選擇電感量的大小.其缺點是電感體積大,笨重,價格高.現在一般的電子線路的電源都是RC濾波.很少用LC濾波電路.
π型濾波器 變頻器輸出端專用型濾波器,是變頻器專用濾波器的一種,安裝在變頻器的輸出側與電機之間,用於減小變頻器輸出電流中的高次諧波層,抑制變頻器的輸出側的浪涌電壓;
研發背景 作用 套用場合 技術參數 選型變頻器輸入端專用型濾波器,是變頻器專用濾波器的一種,主要用於對電磁環境要求較高的場合,用於抑制變頻器產生的傳導干擾和無線電干擾,防止變頻器工作時,變頻器...
研發背景 變頻器諧波產生機理 作用 適用場合 技術規格C型濾波器是由三端電容或穿心電容構成,適合於抑制高頻信號。 C 型濾波器兩端均可視為低阻抗接高阻抗源和負載。
T型濾波器包括兩個電感器和電容器。 它的兩端都是高阻抗,其插入損耗性能和 型濾波器相似,但是它不易出現“振鈴”現象,可以用在開關電路。
LC型濾波器是由一個電感器和一個電容器構成,這種濾波器可以提供高的輸入阻抗,也可提供低的輸入阻抗,取決於電路的安裝方向。 LT電路是適用高阻抗負載、低阻...
變頻器專用型濾波器的主要構件是低通濾波迴路,低通濾波迴路主要是由濾波電感和濾波電容等有機地組合而成。 變頻器專用型濾波器允許直流或者是額定工作頻率(如5...
MaxSin MaxSin MaxSin
電子濾波器(英文:electronicfilters)可執行信號處理功能的電子線路元件或裝置,它專門用於去除信號中不想要的成分或者增強所需成分。
歷史 按照技術分類 總的分類 特殊設計