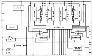
THB7128是一款專業的兩相步進電機驅動晶片。它內部集成了細分、電流調節、CMOS功率放大等電路,配合簡單的外圍電路即可實現高性能、多細分、大電流的驅動電路。適合驅動42、57型兩相、四相混合式步進電機。在低成本、低振動、小噪聲、高速度的設計中套用效果較佳。

1、單晶片兩相正弦細分步進電機驅動 2、替代原來的步進電機驅動器中的晶片; 5、其他需要步進電機驅動的場合。
THB7128是一款專業的兩相步進電機驅動晶片。它內部集成了細分、電流調節、CMOS功率放大等電路,配合簡單的外圍電路即可實現高性能、多細分、大電流的驅動電路。適合驅動42、57型兩相、四相混合式步進電機。在低成本、低振動、小噪聲、高速度的設計中套用效果較佳。
