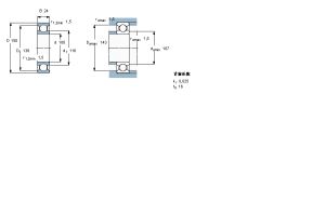
SKF6020軸承尺寸參數型號:6020軸承品牌:SKF軸承系列:深溝球軸承,單列,無密封件內徑:100mm外徑:150mm厚度:24mmSKF6020軸承用途可以用於:焊線機,試驗機,塑膠擠出機,煉鋼設備,剪板機,提升設備,電動攪拌機,空氣淨化設備,渦流泵,切紙機,製劑機械,飲品店設備,塑膠拉絲機,片皮機,拖鏈,等等用途。SKF6020軸承樣本圖片SKF 6020軸承樣本圖