一,產品簡介
JS-H異頻介質損耗測試儀是發電廠、變電站等現場全自動測量各種高壓電力設備介損正切值及電容量的高精度儀器。由於採用了變頻技術能保證在強電場干擾下準確測量。
儀器採用中文選單操作,微機自動完成全過程的測量。
該儀器同樣適用於車間、試驗室、科研單位測量高壓電器設備的tgδ及電容量。
該儀器可用正、反接線方法測量不接地或直接地的高壓電器設備。同時可以測量電容式電壓互感器的tgδ及主電容C1、C2電容量。
儀器內部裝備了高壓升壓變壓器,並採取了過零合閘、防雷擊等安全保護措施。試驗過程中輸出0.5KV~10kV不同等級的高壓,操作簡單、安全。
二,技術參數
1. 高壓輸出: 0.5 ~10kV;
每一檔增加500V,共有十檔,容 量:1500VA。
2. 準 確 度: tgδ:±(讀數*1.0%+0.04%);
Cx: ±(讀數*1.0%+5PF)。
3. 分 辨 率: tgδ:0.01% Cx:1pF。
4. 測量範圍: 0.1% < tgδ < 50%;
3PF< Cx < 60000PF;
10KV時,Cx ≤30000PF;
5KV時,Cx ≤60000PF。
5. 電 源: AC 220V士10% 50士1Hz。
6. 諧波適應: ≤3%。
三,工作原理
啟動測量後高壓設定值送到變頻電源,變頻電源用PID算法將輸出緩速調整到設定值,測量電路將實測高壓送到變頻電源,微調低壓,實現準確高壓輸出。根據正/反接線設定,測量電路根據試驗電流自動選擇輸入並切換量程,測量電路採用傅立葉變換濾掉干擾,分離出信號基波,對標準電流和試品電流進行矢量運算,幅值計算電容量,角差計算tgδ。反覆進行多次測量,經過排序選擇一個中間結果。測量結束,測量電路發出降壓指令變頻電源緩速降壓到0。
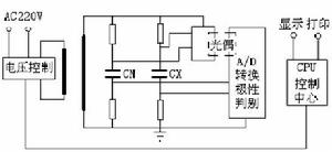
JS-H異頻介質損耗測試儀在交流電壓作用下,電介質要消耗部分電能,這部分電能將轉變為熱能產生損耗。這種能量損耗叫做電介質的損耗。當電介質上施加交流電壓時,電介質中的電壓和電流間存在相角差Ψ,Ψ的餘角δ稱為介質損耗角 ,δ的正切tgδ稱為介質損耗角正切。tgδ值是用來衡量電介質損耗的參數。儀器測量線路包括一標準迴路(Cn)和一被試迴路(Cx),如圖1所示。標準迴路由內置高穩定度標準電容器與測量線路組成,被試迴路由被試品和測量線路組成。測量線路由取樣電阻與前置放大器和A/D轉換器組成。通過測量電路分別測得標準迴路電流與被試迴路電流幅值及其相位等,再由單片機運用數位化實時採集方法,通過矢量運算便可得出試品的電容值和介質損耗正切值。
儀器內部已經採用了抗干擾措施,保證在外電場干擾下準確測量。
四,儀器結構
JS-H異頻介質損耗測試儀測量電路:傅立葉變換、複數運算等全部計算和量程切換、變頻電源控制等。
控制臺:印表機、鍵盤、顯示和通訊中轉。
變頻電源:採用SPWM開關電路產生大功率正弦波穩壓輸出。
升壓變壓器:將變頻電源輸出升壓到測量電壓,最大無功輸出2KVA/1分鐘。
標準電容器:內Cn,測量基準。
Cn電流檢測:用於檢測內標準電容器電流,10μA~1A。輸入電阻〈2Ω。
Cx正接線電流檢測:只用於正接線測量,10μA~1A。輸入電阻〈2Ω。
Cx反接線電流檢測:只用於反接線測量,10μA~1A。輸入電阻〈2Ω。
反接線數字隔離通訊:採用精密MPPM數字數據機,將反接線電流信號送到低壓側。隔離電壓20KV。
五,注意事項
1. 本儀器只能在停電的設備上使用;接地端應可靠接在接地網,
儀器儘量選擇在寬暢,安全可靠的地方使用。
2. 被試設備從運行狀態斷開高壓引線轉為檢修狀態,並對其清掃,初步絕緣試驗良好後,方可利用該儀器進行試驗,以防被試設備絕緣低劣,使儀器在加壓過程中損壞。
3. 根據設備的安裝情況確定採用那種接線,並在相應的選單選項中選擇其接線方法。
4. 根據不同設備正確選擇測試電壓等級,並在相應的選單選項中選擇所需電壓。
5. 測試過程中如遇危及安全的特殊情況時,可緊急關閉總電源。
6. 斷開面板上電源開關,並明顯斷開220V試驗電源,才能進行接線更改或工作結束;重複對同一試驗設備進行複測時,可按下復位後,重新測量,也可以在上一次測試完成後選擇重複進行。
7. 為保證測量精度,特別當小電容量試品損耗小時,一定要保證被試設備低壓端(或二次端)絕緣良好,在相對濕度較小的環境中測量。
8. 在進行大電容試品實驗時,儀器的接地與被試品接地,不應該在同一接地點,以防接地放電時反擊電壓或者流動波影響儀器的安全。
9. 儀器自帶有升壓裝置,應注意高壓引線的絕緣距離及人員安全;10、儀器應可靠接地,接地不好可能引起機器保護或造成危險。
10. 儀器啟動後,除特殊情況外,不允許突然關斷電源,以免引起過壓損壞設備;
11. 儀器所配(HVx)專用高壓電線雖出廠時已檢測合格,但測量時仍需遠離人體及低壓測試線(Cx);高壓芯線與高壓禁止線均不允許接地和測試迴路的低電位部分。
CX輸入線的芯線和禁止線均不允許接觸測試迴路的帶高壓部分。
12. 儀器應注意防潮,防劇烈振動。
13. 當現場干擾較大,用工頻無法得到確定結果時,應使用異頻測量,其它情況應使用工頻測量。
14. 當發出測量指令後,較長時間(1分鐘)螢幕上不出現測量結果,有可能是試品電容太大或當機造成,重新開機後降低測量電壓再測。
15. 試品短路將無法測量,儀器自動保護。機機頭上方出紙口處伸出一段時,按一下按鍵停止走紙。列印紙允許往外拉。
