一、邏輯取及輸出指令
1.指令作用
LD(取)為常開觸頭邏輯運算起始指令,LDI(取反)則為常閉觸頭邏輯運算起始指令,OUT(輸出)用於線圈驅動,其驅動對象有輸出繼電器(Y)、輔助繼電器(M)、狀態繼電器(S)、定時器(T)、計數器(C)等。OUT指令不能用於輸入繼電器,OUT指令驅動定時器(T)、計數器(C)時,必須設定常數K或數據暫存器值。
2.使用示例
圖1是由LD、LDI、OUT指令組成的梯形圖,其中OUT M100和OUT T0的線圈可並聯使用。
FX2N基本指令使用圖1 LD、LDI、OUT指令組成的梯形圖
該梯形圖對應的語句指令程式為:
程式步 語句 注釋
1 LD X0 //與左母線相連
2 OUT Y0 //驅動線圈
3 LDI X1
4 OUT M100 //驅動通用輔助繼電器
5 OUT T0 //驅動定時器
K19 //設定常數
6 LD TO
7 OUT Y1
二、觸頭串聯指令
1.指令作用
AND(與)用於常開觸頭串聯連線,ANI則用於常閉觸頭串聯連線。串聯觸頭個數沒有限制,理論上該指令可以無限次重複使用,實際由於圖形編程器和印表機功能有限制,一般一行不超過10個觸頭和1個線圈,而連續輸出總共不超過24行。
FX2N基本指令使用2.使用示例
圖2是由AND、ANI指令組成的梯形圖。OUT指令之後可通過觸頭對其他線圈使用OUT指令,稱為縱向輸出或連續輸出。例在OUT M101指令後,可通過觸頭T1對線圈Y4使用OUT進行連續輸出,如果順序不錯,可多次重複使用連續輸出。
梯形圖對應的語句指令程式為:
LD X2
AND X0 //串聯常開觸頭
OUT Y3
LD Y3
ANI X3 //串聯常閉觸頭
OUT M101
AND T1 //串聯觸頭
OUT Y4 //連續輸出
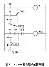
三、觸頭並聯指令
1.指令作用
OR(或)是常開觸頭並聯連線指令,ORI(或反)是常閉觸頭並聯連線指令。除第一行並聯支路外,其餘並聯支路上若只有一個觸頭時就可使用OR、ORI指令。OR、ORI指令一般跟隨LD、LDI指令後,對LD、LDI指令規定的觸頭再並聯一個觸頭。
FX2N基本指令使用2.使用示例
圖3是由OR、ORI指令組成的梯形圖。由於OR、ORI指令只能將一個觸頭並聯到一條支路的兩端,即梯形圖中M103或M110所在支路只有一個觸頭,梯形圖對應的語句指令程式程式為:
LD X4
OR X6 //並聯一個常開觸頭
ORI M102 //並聯一個常閉觸頭
OUT Y5
LDI Y5
AND X7
OR M103 //並聯一個常開觸頭
ANI X10
ORI M110 //並聯一個常閉觸頭
OUT M103
圖3 OR、ORI指令組成的梯形圖
四、 邊沿檢測脈衝指令
1.指令作用
LDP(取脈衝上升沿)是上升沿檢測運算開始指令,LDF(取脈衝下降沿)是下降沿脈衝運算開始指令,ANDP(與脈衝上升沿)是上升沿檢測串聯連線指令,ANDF(與脈衝下降沿)是下降沿檢測串聯連線指令,ORP(或脈衝上升沿)是上升沿檢測並聯連線指令,ORF(或脈衝下降沿)是下降沿檢測並聯連線指令。
LDP、ANDP、ORP等指令用於檢測觸頭狀態變化的上升沿,當上升沿到來時,使其操作對象接通一個掃描周期,又稱為上升沿微分指令。LDF、ANDF、ORF等指令用於檢測觸頭狀態變化的下降沿,當下降沿到來時,使其操作對象接通一個掃描周期,又稱為下降沿微分指令。這些指令的操作對象有X、Y、M、S、T、C等。
2.使用示例
FX2N基本指令使用圖4 LDP、ORF、ANDP指令組成的梯形圖
圖4是由LDP、ORF、ANDP指令組成的梯形圖。在X2的上升沿或X3的下降沿時線圈Y0接通。對於線圈M0,需在常開觸頭M3接通且T5上升沿時才接通。
梯形圖對應的語句指令程式為:
LDP X2 //取脈衝上升沿
ORF X3 //或脈衝下降沿
OUT Y0
LD M3
ANDP T5 //與脈衝上升沿
OUT M0
五、塊或塊與指令
1.指令作用
兩個或兩個以上的觸頭串聯連線的電路稱為串聯電路塊,塊或ORB指令的作用是將串聯電路塊並聯連線,連線時,分支開始用LD、LDI指令,分支結束則用ORB指令。
兩個或兩個以上的觸頭並聯連線的電路稱為並聯電路塊,塊與ANB指令的作用是將並聯電路塊串聯連線,連線時,分支開始用LD、LDI指令,分支結束則用ANB指令。
塊或(ORB)和塊與(ANB)指令均無操作元件,同時ORB、ANB指令均可連續使用,但均將LD、LDI指令的使用次數限制在8次以下。
FX2N基本指令使用2.使用示例
圖5是由ORB、ANB指令組成的梯形圖。該梯形圖先由X0、X1指令組成並聯電路塊A,然後將X2、X3組成串聯電路塊B,X4、X5組成串聯電路塊 C,再將兩個串聯電路塊通過ORB指令進行塊或操作形並聯電路塊1,之後再進行或操作後形成並聯電路塊2,在此基礎上通過ANB指令進行塊與操作最終形成串聯電路塊3。
圖5 ORB、ANB指令組成的梯形圖
對應語句指令程式為:
LD X0
OR X3 //組成並聯電路塊A
LD X1 //分支起點
AND X2 //組成串聯電路塊B
LDI X4 //分支起點
AND X5 //組成串聯電路塊C
ORB //將兩個串聯塊進行塊或操作,形成1
ORI X6 //形成並聯電路塊2
ANB //塊與操作,形成3
OR X7
OUT Y0
六、 多重輸出指令
FX2N基本指令使用1.指令作用
MPS、MRD、MPP這組指令是將連線點結果存入堆疊存儲器,以方便連線點後面電路的編程。FX2N系列PLC中有11個存儲運算中間結果的堆疊。
堆疊採用先進後出的數據存儲方式,見圖6。MPS為進棧指令,其作用是將中間運算結果存入堆疊的第一個堆疊單元,同時使堆疊內各堆疊單元原有存儲數據順序下移一個堆疊單元。
圖6 堆疊存儲器數據存儲方式
MRD為讀棧指令,其作用是僅讀出棧頂數據,而堆疊內數據維持原狀。MRD指令可連續重複使用24次。
MPP為出棧指令,其作用是彈出堆疊中第一個堆疊單元的數據,此時該數據在堆疊中消失,同時堆疊內第二個堆疊單元至堆底的所有數據順序上移一個單元,原第二個堆疊單元的數據進入棧頂。MPS和MPP指令必須成對使用,連續使用次數則應少於11次。
FX2N基本指令使用2.使用示例
圖7是兩層堆疊套用示例梯形圖。首先用MPS將X0送進堆疊頂部的存儲單元,然後再將XO與X1的結果用MPS送進堆疊頂部的存儲單元,這樣原先在堆疊頂部存儲單元的數據XO將順序進入堆疊頂部下一個存儲單元中。
出棧時,先將處於堆疊頂部的數據即XO與X1相與的結果取出,隨著堆疊頂部數據的取出,數據XO順序到達堆疊頂部的存儲單元,然後在下一次的出棧操作中,數據X0被取出堆疊頂部。
兩層堆疊套用示例梯形圖對應的語句指令程式為:
LD X0
MPS //將X0數據送進堆疊
AND X1
圖7 兩層堆疊應用程式示例
MPS //將X0 AND X1數據送進堆疊
AND X2
OUT Y0
MPP //將X0 AND X1數據取出堆疊
AND X3
OUT Y1
MPP //將X0數據取出堆疊
AND X4
MPS //將X0 AND X4數據送進堆疊
AND X5
OUT Y2
MPP //將X0 AND X4數據取出堆疊
AND X6
OUT Y3
七、主控觸頭指令
1.指令作用
MC主控指令用於公共串聯觸點的連線。執行MC後,表示主控區開始,該指令操作元件為Y、M(不包括特殊輔助繼電器)。
MCR主控復位指令用於公共觸頭串聯的清除。執行MCR後,表示主控區結束,該指令的操作元件為主控指令的使用次數N0~N7。
FX2N基本指令使用2.使用示例
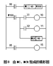
圖8 由MC、MCR組成的梯形圖
圖8是由MC、MCR組成的梯形圖。由於Y0、Y1線圈同時受一個觸頭X0控制,如果在第個線圈所在支路中均串聯一個同樣的觸頭,將占有較多存儲單元。
使用主控指令MC後,可利用輔助繼電器M100,將主左母線移到了常開觸頭M100後,形成新的左母線,該母線後之後的各支路中仍採用LD或LDI連線,其連線關係與M100和主左母線之間的連線關係相同,但節省了單元。當M100控制的各支路結束後,再用MCR指令撤消新的左母線。
梯形圖對應語句指令程式為:
LD X0
MC N0 //主左母線移動到M100之後,建立新的左母線
M100
LD X1
OUT Y0
LD X2
OUT Y1
MCR N0 //撤消建立的新左母線
LD X5
OUT Y5
八、置位復位指令
1.指令作用
SET置位指令功能是驅動線圈並使用線圈接通(即置1),並具有維持接通狀態的自鎖功能。
RST復位指令功能是斷開線圈並復位,具有維護斷開狀態的自鎖功能。此外數據暫存器(D)、變址暫存器(V或Z)、積算定時器T246~T255、計數器(C)的當前值清零及輸出觸頭復位等均可使用RST。
FX2N基本指令使用2.使用示例
圖9是SET與RST指令組成的梯形圖,當X0接通時,Y0被置成ON狀態,之後X0再斷開,Y0狀態仍然保持;而當X1接通時,Y0的狀態復位為OFF,之後X1斷開,Y0仍保持OFF狀態。
圖9 由SET、RST組成的梯形圖
該梯形圖對應的語句指令程式為:
LD X0
SET Y0
LD X1
RST Y0
九、 脈衝輸出指令
1.指令作用
前沿脈衝PLS指令在輸入信號上升沿產生一個掃描周期的脈衝輸出;後沿脈衝PLF指令則在輸入信號下降沿產生一個掃描周期的脈衝輸出。PLS和PLF指令的驅動元件是Y與M,但不包括特殊輔助繼電器。
FX2N基本指令使用2.使用示例
圖10是由PLS、PLF組成的示例梯形圖。當X0由OFF至ON的上升沿,輔助繼電器M0接通,線圈Y0接通;而在X1由ON至OFF的下降沿,輔助繼電器M1接通,線圈Y0置位為OFF。
圖10 由PLS、PLF組成的梯形圖
對應語句指令程式為:
LD X0
PLS M0 //在XO的上升沿置M0為ON
LD M0
SET Y0 //置Y0為ON
LD X1
PLF M1 //在X1的下降沿置M1為ON
LD M1
RST Y0 //將YO復位為OFF
十、取反及空操作結束指令
1.指令作用
取反INV指令在梯形圖中用一條45°短斜線表示,其作用是將之前的運算結果取反,該指令無操作元件;空操作NOP指令是一條無動作、無操作元件且占一個程式步的指令,程式中加入NOP指令主要為了預留編程過程中追加指令的程式步;結束END指令用於標記用戶程式存儲區最後一個存儲單元,使END指令後的NOP指令不再運行並返回程式頭,提高了PLC程式的執行效率。
FX2N基本指令使用2.使用示例
圖11是由INV、END指令組成的示例梯形圖。其中X0與X1的結果由INV指令取反,X2也取反,兩者進行或塊操作後再取反,最後輸出至Y0。
圖11 由INV、END指令組成的梯形圖
其對應語句指令程式為:
LD X0
AND X1
INV //對X0 AND X1的操作結果取反
LD X2
INV //對X2取反
ORB //或塊操作
INV //對或塊操作結果取反
OUTO Y0
十一、工作任務
撰寫LD、LDI、OUT;AND、ANI;OR、ORI;LDP、ORF、ANDP;ORB、ANB;MC、MCR;SET、RST等指令作用說明書

