簡要說明
CD4017:十進制計數器/脈衝分配器
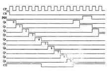
cd4017CD4017 是5 位Johnson 計數器,具有10 個解碼輸出端,CP、CR、INH 輸入端。時鐘輸
入端的斯密特觸發器具有脈衝整形功能,對輸入時鐘脈衝上升和下降時間無限制。INH 為低電平時,計數器在時鐘上升沿計數;反之,計數功能無效。CR 為高電平時,計數器清零。
Johnson 計數器,提供了快速操作、2 輸入解碼選通和無毛刺解碼輸出。防鎖選通,保證了正確的計數順序。解碼輸出一般為低電平,只有在對應時鐘周期內保持高電平。在每10 個時鐘輸入周期CO 信號完成一次進位,並用作多級計數鏈的下級脈動時鐘。
CD4017 提供了16 引線多層陶瓷雙列直插(D)、熔封陶瓷雙列直插(J)、塑膠雙列直插(P)和陶瓷片狀載體(C)4 種封裝形式。
工作條件
CD4017波形圖電源電壓範圍:3V-15V
輸入電壓範圍:0V-VDD
工作溫度範圍
M 類:55℃-125℃
E 類:40℃-85℃
極限值
CD4017邏輯圖電源電壓:-0.5V-18V
輸入電壓:-0.5V-VDD 十0.5V
輸入電流:±10mA
貯存溫度:-65℃-150℃
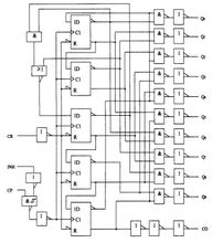
功能符號
引出端功能符號
CD4017引腳圖CO:進位脈衝輸出
CP:時鐘輸入端
CR:清除端
INH:禁止端
Q0-Q9 計數脈衝輸出端
VDD:正電源
VSS:地
真值表
| 輸入 | 輸出 | |||
| CP | INH | CR | Q0~Q9 | CO |
| × | × | H | Q0 | 計數脈衝為Q0~Q4時:CO=H 計數脈衝為Q5~Q9時:CO=L |
| ↑ | L | L | 計數 | |
| H | ↓ | L | ||
| L | × | L | 保持 | |
| × | H | L | ||
| ↓ | × | L | ||
| × | ↑ | L | ||

