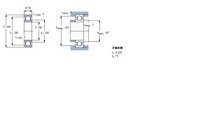
內徑:190mm 外徑:340mm 厚度:55mm
型號:6238M品牌:SKF系列:深溝球軸承,單列,無密封件內徑:190mm外徑:340mm厚度:55mm
mm動載:255000 mm靜載:280000 mm限制速度(油潤滑):2600
SKF SKF
軸承型號:6238軸承 新型號:6238M軸承 舊型號:238