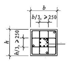
確定內箍的截面寬度先要確定內箍筋的寬度,如何確定,就根據圖集11g101-1如圖
1、可以確定內箍的寬度為max(b/3,≥250mm)
2、高度=(h-2c+2d)*2
3、彎鉤增加長度=[2d+max(10d,75mm)]*2
然後1+2+3就算出內箍筋長度值
上面是在用廣聯達軟體中默認計算方式(按鋼筋外皮計算寬度)
1、內箍筋寬度=((b-2c-2d-D)/3+D+2d)*2
2、高度=(h-2c)*2
3.彎鉤增加長度=[1.9d+max(10d,75mm)]*2
內箍筋總長=1+2+3
按文中公式,則D`=D注釋:b構件寬度;h構建高度;c保護層;d箍筋直徑;D底部縱筋直徑

