尺寸參數
1224軸承還包括1224MC3、1224、1224M、
用途
1224軸承屬於調心球軸承系列,套用範圍特別廣泛,目前1224軸承主要用於電壓測量儀表、低壓接觸器、插床、製劑機械、低壓斷路器、磁性測厚儀、電橋、加工中心、電動機保護器、車用燈類等設備。

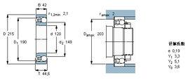
1224軸承是調心球軸承,軸承1224尺寸參數有多種,比如重量、內外徑、厚度或者是高度、額定靜動負荷載、參考速度和極限轉速等等。以下是NSK 1224軸承的部分參數。
1224軸承還包括1224MC3、1224、1224M、
1224軸承屬於調心球軸承系列,套用範圍特別廣泛,目前1224軸承主要用於電壓測量儀表、低壓接觸器、插床、製劑機械、低壓斷路器、磁性測厚儀、電橋、加工中心、電動機保護器、車用燈類等設備。
32915軸承 32916軸承 32917軸承
軸承1224軸承尺寸參數 軸承1224的用途 1224軸承的銷售網路型)1224軸承的用途用於 蒸汽清洗機、 1224軸承的樣本圖
1224軸承參數 1224軸承的用途 1224軸承的樣本圖7020A/P5軸承
軸承1224M軸承尺寸參數 軸承1224的用途 1224M軸承的銷售網路、1224軸承、也適用於這些行業。美國TIMKEN軸承GRAE35RRB資料...GRAE35RRB軸承詳細參數 所屬品牌: TIMKEN(鐵姆肯)公司是全球領先的優質軸承、合金鋼及相關部件和配件製造商。 軸承類型: 軸承座...
GRAE35RRB軸承詳細參數 軸承座單元GRAE35RRB圖紙基本信息作 者:沈英林,張瑞祥 編叢 書 名:電廠工人技術問答叢書出 版 社:化學工業出版社ISBN:9787122040343...
基本信息 內容簡介 目錄 前言創建並渲染一個三維軸承零件的全過程。圖書目錄第1章AutoCAD 2007...繪製簡單圓孔零件1184?4繪製圓弧1224?4?1繪製圓弧的基本方法1224?4?2繪製浴盆圖紙1274?5繪製橢圓1324?5?1繪製橢圓...
圖書簡介 圖書前言 圖書目錄422曲軸扭轉減振器483飛輪494曲軸軸承495平衡機構51...的檢查817曲軸軸承的耗損818曲軸軸承配合間隙的檢驗819曲軸軸承的選配82【組織實施】821實訓目的與要求822實訓場地823實...
基本信息 內容簡介 目錄(1208~1224),名士周益公、章穎等游村東桃源觀,見觀中桃花千樹...。 經濟發展 軸承產業清雍正二年(1724)大市聚開設朱永興鐵鋪,從事鐵器加工...農機廠、軸承分廠、柴油機分廠、棉紡織廠、羊毛衫廠、手套廠、襪廠、磚瓦廠、膠丸...
基本簡介 歷史沿革 經濟發展 參考資料