背景
最近十年以來,隨著世界各國常規化石能源供應不確定性問題和節能減排形勢的日益嚴峻,綠色可再生能源和環保型低碳經濟越來越受到重視。尤其最近五年,中國風電裝機容量的增長極為迅速,並已於2010年底超越美國成為全球風電裝機容量第一的國家。
隨著風電在電網中所占比例的日益增長,風電在電力系統中的作用和地位在發生變化,風電與電網的相互影響也已變得不容忽略。尤其是在電網故障情況下,風電對電網的影響更不可忽視。
電網故障會導致風電場併網點電壓的跌落或抬升,有時候也會引起風電場併網點頻率的異常。電網故障會給風電機組等風電場電氣設備帶來一系列的暫態過程,如過流、低電壓、過速等。過去,風電機組都不具備故障穿越能力,因此當發生電網故障時,風電機組因自身安全原因,一般都會自動與電網解列。目前,風電在電網中的比例已經達到較高的水平,若風電機組還不具備合格的電網故障抵禦能力,一遇電網故障就自動解列則會增加局部電網故障的恢復難度,惡化電網穩定性,甚至會加劇故障並導致系統崩潰 。
因此,為了維持電網的安全穩定運行,各國電網部門根據自身實際對風電場的電力接入提出了嚴格的技術要求。
風機的故障穿越能力(GFRT)概念
GFRT概念在國外比較普遍,但各國叫法和分類有所不同,如美國標準叫電壓穿越(VRT),包括LVRT和HVRT。
各國標準對風機的故障穿越能力的定義基本一致,其基本內容可概括為:當電力系統事故或擾動引起併網點電壓或頻率超出標準允許的正常運行範圍時,在一定的電壓或頻率範圍及其持續時間間隔之內,風電機組能夠按照標準要求保證不脫網連續運行,且平穩過渡到正常運行狀態的一種能力。
通過對各國標準的學習發現GFRT包括以下三個概念,低電壓穿越(Low Voltage Ride Through,LVRT)、高電壓穿越(High Voltage Ride Through,HVRT)和頻率穿越(Frequency Ride Through,FRT )。其中,FRT還未被正式命名,業內也沒有更多的關注,相關文獻也沒有相關研究和論述。對於HVRT而言,目前澳大利亞等國已有明確的標準規定,但在我國還處於空白狀態。而對LVRT而言,目前各國都有相應的規程要求,是風電機組最普遍、最重要的GFRT能力要求。
各國GFRF技術要求
通過對各國標準的學習和歸納後發現,風電機組必須要滿足的GFRT指標有如下幾項:
故障類型和最大深度指標
風電機組應穿越的電網故障類型包括對稱故障和非對稱故障,而其最大深度指標則指故障所引起的併網點高/低電壓有效值離併網點電壓標稱值的偏移量百分比(簡稱電壓變化水平)。
對LVRT要求而言,中國標準要求:《風電場併網點電壓跌至20%標稱電壓時,風機能夠保證不脫網連續運行625 ms。可知,LVRT最大深度指標在中國規程中的取值為20%額定電壓。大多數風電已開發國家的併網規程都比中國嚴格,都提出了零電壓穿越(Zero Voltage Ride Through, ZVRT)要求;而故障類型也是對稱故障和非對稱故障。實際上,當電網發生短路故障時,因風電場內的各級變壓器和電網阻抗、故障點位置、電網結構形式等因素的影響,在風電機組電網側的實際電壓跌落深度並沒有像風電場併網點跌落深度那么深。另外,各級變壓器的聯接組別對電壓跌落類型及其分布也有影響,如在中國,風電機組出口升壓變壓器的聯接組別一般都選為Dyn11或Dyn5,在這種情況下,在箱變高壓側發生各類短路故障時,在風電機組電網側並不會出現單相電壓跌落。
就HVRT要求而言,這裡所講的高電壓一般是指因電網故障而產生的工頻過電壓。在中國目前還沒有HVRT正式標準,相關工作正在進行中。但在澳大利亞、美國等國家併網規程中已有明確的HVRT技術要求。以美國WECC標準為例,1.2 p.u過電壓下要工作至少1s,1.15p.u過電壓下要工作至少3s 。可知,HVRT最大深度指標在美國規程中的取值為120%額定電壓。對於HVRT的故障類型而言,高電壓故障產生的機理比較複雜,但標準要求風電機組應能承受對稱過電壓和非對稱過電壓。
故障持續時間指標
就LVRT要求而言,德國E.ON標準規定《風電場併網點電壓跌至0%標稱電壓時,風機能夠保證不脫網連續運行150ms,即在德國E.ON電網中LVRT持續時間指標的取值為150ms。最嚴格的標準是芬蘭等北歐國家標準,要求風電場在0%標稱電壓下持續工作至少250ms。
故障期間風電機組功率控制要求
該指標包括風電機組在LVRT或HVRT期間的有功功率和無功功率控制要求。對於LVRT而言,大多數國家對LVRT期間的風機有功控制並無明確要求,只有丹麥標準要求風電機組在LVRT期間根據電網電壓實際值按照一定比例關係儘可能地多發有功功率。對於LVRT期間的風機無功控制,大多數國家都有明確的規定,如中國標準要求是:《當電力系統發生三相短路故障引起電壓跌落,且併網點電壓處於標稱電壓的20%到 90%區間內時,風機應能通過注入無功電流支撐電壓恢復(動態無功電流控制的回響時間不大於75 ms,持續時間應不小於550 ms。
對於HVRT而言,絕大多數國家併網規程都沒有提出風機在HVRT期間應如何控制風機的有功出力和無功功率。
故障恢復時間及後期控制要求
該指標包括四個方面的要求:故障恢復時間、故障結束後的有功功率恢復速度、故障結束後的無功功率控制要求和故障結束瞬間的電氣超調量控制問題。
以LVRT的故障恢復時間為例,中國標準的要求是:《當風電場併網點電壓在發生跌落後2s內能夠恢復到標稱電壓的90%時,風機能夠保證不脫網連續運行》,故LVRT '恢復時間要求為2s。故障恢復時間取決於各國電網的實際狀況,存在較大的差異性。
再看LVRT結束後的風機有功功率恢復速度。目前最嚴格的標準是德國E.ON準則,要求風電機組以20%額定功率的速度恢復到故障之前的值。對於HVRT結束後的風機有功功率恢復速度而言,各國併網規程都沒有提出具體要求。
對於LVRT或HVRT結束後的無功功率控制問題而言,該指標的主要意圖是:故障結束(在大多數國家併網規程中,要求風電機組可正常運行的電網電壓範圍為90%-110%標稱電壓。這裡所說的“故障結束,是指:電壓恢復到(90%-110% ) Un的電壓區域,並非恢復到100%標稱電壓。使風電機組的電網側電壓儘快恢復到標稱電壓附近。可見,故障結束後的無功功率及其持續時間的控制取決於電壓的恢復情況。
對於LVRT或HVRT結束瞬間的電氣超調量 (國外叫Overshoot)控制而言,規程內容的根本意圖在於保證風電機組的各個涉網電氣保護在故障結束瞬間不被觸發。當然,電氣超調量的幅值越小越好,進入穩定工作點的速度越快越好。
電壓故障的重現頻次
大多數國家對此並無明確要求,只有丹麥標準要求:《在兩分鐘之內至少兩次低電壓故障穿越》來考核風電機組的LVRT育邑力。對於高電壓穿越重現頻次而言,目前還沒有任何要求。
控制回響速度
包括兩個要素:故障類型判別速度和故障發生瞬間後無功功率回響速度。一般而言,當發生電網故障時,風電機組先試圖對故障類型進行快速判別以確定故障期間的有功/無功功率的控制方式。此外,風電機組控制器對電網故障類型快速完成定性後,還要快速進行無功功率調節以支持電網電壓的恢復。
可見,各國風電併網規程針對風電機組的GFRT要求包含如下12項技術要素:電壓變化水平;故障類型(單相/兩相/三相);故障持續時間;故障恢復時間;故障期間的有功功率控制;故障期間的無功功率支持;故障類型判別速度;故障發生瞬間的無功功率回響時間;故障結束後有功功率恢復速度;故障結束後無功功率控制;故障結束瞬間的電氣超調量控制;故障重現頻次。
電網故障對不同風電機組的影響
目前,市場上的主流風電機組有三類,它們分別是直接併網的失速型定速異步風電機組(StallRegulated Fixed Speed Induction Generator, FSIG)、雙饋異步風電機組(Doubly-Fed Induction Generator, DFIG、直驅永磁同步風電機組(Permanent MagnetSynchronous Generator PMSG)。電網短路故障對各種機型的影響簡述如下。
FSIG在電網故障下的暫態現象
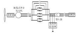
FSIG系統主迴路拓撲結構FSIG主迴路拓撲圖如右圖所示。從圖可知,發電機直接連線到電網。這種較強的電壓和頻率藕合使電網故障直接反應在電機定子電壓和轉速上。當電網故障時,導致定子磁鏈出現直流成份;當不對稱故障時還會出現負序分量。定子磁鏈的直流分量和不對稱故障產生的負序分量將產生較大的轉差,從而產生較大的轉子電勢和轉子電流。
此外,在電網故障的過渡過程中,電機電磁轉矩會出現比較大的波動,對傳動系統的齒輪箱等部件產生非常大的機械衝擊,導致部件損壞或機組壽命縮短。
還有,電網故障會降低定子電壓,風電機組輸出功率也跟著降低,必然導致發電機轉速的上升。轉速的上升會增加風電機組從系統吸收的無功功率,進一步惡化電網電壓的恢復,嚴重時將導致系統的電壓崩潰。
DFIG在電網故障下的暫態現象
DFIG系統主迴路拓撲結構DFIG主迴路拓撲如右圖所示。從圖可知,對DFIG而言,電網電壓的跌落會導致風電機組轉速上升,對傳動系統造成機械衝擊。在電網電壓跌落瞬間,發電機定子上的大電流,必然引起轉子側較大的感應電流。而在電網電壓恢復瞬間,因DFIG從電網吸收無功功率來恢復氣隙磁鏈,導致定子側注入較大的浪涌電流,造成發電機電網側電壓的降低。另外,DFIG轉子側由於採用了小功率變流器併網,變流器過流能力和DC環節的過電壓能力都非常有限,需要在電壓、電流和有功功率控制之間要很好地匹配,以保證功率器件不被過電壓、過電流損壞並保證直流側電壓在合理的範圍之內。可見,雙饋風電機組在故障期間的暫態行為較複雜,實現DFIG風機的GFRT能力相對而言比較難 。
PMSG在電網故障下的暫態現象
永磁直驅風力發電系統主迴路拓撲結構對PMSG而言,從主迴路拓撲圖(右圖)可知,發電機經過AC-DC-AC全功率變流器與電網相接,發電機輸出側與風電機組的電網側已被“頻率/電壓解藕”,風機的GFRT能力等併網特性主要跟變流器有關。當電網電壓跌落時,因電網側逆變器電流不能突變,注入電網的有功功率迅速減少。為了傳送等同的有功功率,逆變器應增加輸出電流,但電壓跌落到一定深度時,因迴路電流不可超過逆變器IGBT能承受的最大電流,注入電網的有功功率受到限制。這樣必將導致DC電容輸入功率大於逆變器注入電網的輸出功率,DC電容電壓上升,影響系統的正常運行,甚至導致部件損壞或更嚴重的後果。可見,直流側過電壓是因DC迴路輸入能量和輸出能量的不平衡引起,釋放這一部分多餘的能量是保證直驅風機GFRT能力的根本途徑 。
風機GFRT能力對電力系統的影響
目前已有許多文獻研究了風電機組/風電場的GFRT能力,尤其是風電機組的LURT特性和HURT特性對系統的影響。工程實踐也足以說明風電機組/風電場的GFRT特性對電力系統有著不可忽視的影響。主要表現在以下幾個方面:
(1)對電力系統穩定性的影響
工程經驗說明具備GFRT能力的風電場比不具備此能力的風電場具有更好的穩定性。在像中國酒泉地區這種大規模高度集中接入的情況下,如果風電機組不具備GFRT能力,則當電網發生故障時上千颱風電機組一起脫網,對電網必將是很大的衝擊,甚至是災難。再從電網大系統而言,當功角臨界失穩時,電壓會降低,而風電機組對電壓比較敏感,電壓的降低會導致風電機組電壓保護的動作,進一步惡化系統電壓。
(2)對系統電壓控制的影響
一般而言,一個風電場也會含有多種風電機組機型,而各個風電機組機型在故障情況下的無功功率調節特性不同。另外,風電場主變低壓側也會配有各種類型的無功功率補償設備,如並聯電容器組、SVC, SVG等多見。可見,風電機組在故障期間的故障判別速度及其對應的功率控制(有功功率控制和無功功率控制)方式不僅影響到故障期間的系統無功功率需求和系統潮流分布,而且對電壓控制的精度和效果帶來一定的不利影響,因此風電機組應按照標準要求嚴格執行相關GFRT控制任務。
(3)對系統發電計畫、系統規劃等的影響
按照目前的電網現狀,假設風電機組可以不具備故障穿越能力,則整個系統的架構都要發生改變,如風電場的接入規模、系統安穩裝置配備、系統保護配置及其設定等,會涉及到很多方面,在此不再細述。
風電機組LVRT能力實現方案
FSIG風機LVRT技術方案
使FSIG具備LVRT能力的基本思路是:當電網電壓跌落時,通過採用一定的技術措施和外加的硬體設備,避免發電機大轉差率的發生,防止較大的定子電流、定子電壓和轉矩波動對風電機組相關部件的損壞,同時保證風機不脫網連續運行;另外,在電網跌落期間,還應避免飛車現象和風機額外無功功率需求對電網電壓恢復的惡化作用 。
FSIG風機目前的LVRT實現方法是:在發電機和電網之間串聯一套專用LVRT設備(如SVC或SVG)。
DFIG風機LVRT技術方案
有兩種技術措施:變換器轉子側Crowbar電路和變流器直流側Chopper電路。
針對電網電壓跌落,DFIG採取如下策略:
(1)對較小的電壓跌落,可通過控制策略的調整使DFIG具備LVRT,無需Crowbar等設備。
(2)對大一些的電壓跌落,因直流過電壓與轉子側過電流,Crowbar電路應投入運行以避免大電流損害變換器功率器件。此時,轉子側變換器被Crowbar電路阻斷,電網側變換器保持與電網的連線以控制直流母線電壓。
(3)對較大的電壓跌落,因較大的直流過電壓與轉子側大電流,Crowbar電路和Chopper電路均投入運行以避免變換器損壞。
結語
隨著風電在電網中比例的增加,風電GFRT問題越來越被相關各方重視。電網實際運行需要也要求風電機組必須具備相應的GFRT能力。
國內客戶對風電機組GFRT能力的要求不夠全面。我國GFRT相關標準裡面也有部分盲點,如標註GB/T 19963-2011中對HVRT和FRT沒有任何規定;對於LVRT規定而言,也存在著部分內容缺失,因為該標準沒有提出對故障期間的有功功率控制、故障類型的判別速度、故障結束後無功功率支持的持續時間、超調量控制能力和故障頻次等指標的具體要求。另外,諸多國內風電機組生產廠商對標準的重視程度還不夠,甚至有的廠商對自家風電機組的相關技術細節還不夠了解,導致頻繁的LVRT改造等不利局面。
可以得出如下幾條結論
(1)風電機組的GFRT能力包括諸多指標。以LVRT/HVRT能力為例,共有12項必須攻克的技術要素,分別是:電壓變化水平、故障電壓持續時間、故障恢復時間、故障類型、故障期間的有功功率控制、故障期間的無功功率控制、故障類型的判別速度、故障發生瞬間的無功功率回響時間、故障結束後的有功功率恢復速度、故障結束後的無功功率持續時間、超調量控制能力和故障頻次。
(2)電網故障會給風電機組等風電場電氣設備帶來一系列的暫態過程,甚至會造成設備損壞等嚴重後果,因此風電機組/風電場應該具備合格的GFRT能力。反之,若風電機組不具備GFRT能力,則將會對電網安全穩定運行帶來很大危險。
