組成與原理
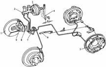
圖1 組成雙迴路液壓制動系統的組成如圖 1所示。
雙迴路液壓制動系統主要由制動主缸(制動總泵)、液壓管路、後輪鼓式制動器中的制動輪缸(制動分泵)、前輪鉗盤式制動器中的液壓缸等組成。制動主缸的前後腔分別與前後輪制動輪缸之間通過油管連線,並充滿制動液。真空助力器以發動機進氣支管或獨立安裝的真空泵的真空吸力為動力源,產生一個與制動踏板同向的制動力協助人力進行制動。制動調節閥調節進入前後制動輪缸的液壓大小,力圖使前後車輪同時被制動抱死。
踩下制動踏板 4,制動主缸2利用主缸活塞的移動將制動液壓入制動輪缸9,從而使輪缸活塞移動,將前輪制動器的制動塊推向制動盤、後輪制動器的制動蹄推向制動鼓。在制動器間隙消失並開始產生制動力矩時,液壓與踏板力方能繼續增長直到完全制動。在此過程中,由於液壓作用,油管彈性膨脹變形和摩擦元件彈性壓縮變形,踏板和輪缸活塞都可以繼續移動一段距離。放開踏板,制動塊回位、制動蹄和輪缸活塞在回位彈簧作用下回位,將制動液壓回制動主缸,制動作用解除。
布置形式
圖2 布置形式雙迴路液壓制動系統在各類汽車上有多種布置方案,如圖2所示。
(1) 一軸對一軸(II)型:前軸(橋)制動器與後軸(橋)制動器各有一套管路。該布置方案最為簡單,可與單輪缸鼓式制動器配合使用,在發動機前置後輪驅動的汽車上得到廣泛套用,如南京依維柯、廣州標緻等汽車;其缺點是當一套管路失效時,前後橋制動力分配關係被破壞。
(2) 交叉(X)型:一軸的一側車輪制動器與另一軸對角車輪制動器同屬一套管路。該布置方案中任一管路失效時,剩餘的總制動力都能保持管路正常時總制動力的一半,而且前後橋制動力分配關係不發生改變,有利於提高制動穩定性。該布置方案多用於發動機前置前輪驅動的轎車上,如上海桑塔納、奧迪100、神龍富康、天津夏利等轎車。
(3) 一軸半對半軸(HI)型:每側前輪制動器的半數輪缸和全部後輪制動器輪缸同屬一套管路,其餘的前輪輪缸則屬於另一套管路。
(4) 半軸一輪對半軸一輪(LL)型:兩側前輪制動器的半數輪缸和一個後輪制動器分別屬於相互獨立的兩套管路。
(5) 雙半軸對雙半軸(HH)型:前、後輪制動器的半數輪缸分別屬於相互獨立的兩套管路。在以上布置方案中,HI型、LL 型、HH 型較為複雜,在汽車上套用較少;II型、X 型由於優點較多而被廣泛套用。
