色碼電感

色碼電感

色碼電感所屬現代詞,指的是電感器的主要技術指標。

色碼電感和色環電阻類似,用不同的顏色表示不同的數字,可以表示電感的電感量是多少。
有些電感的值是直接標在電感封裝上的;有的還需要用表測量。
1、電感器的分類:常用的電感器有固定電感器、微調電感器、色碼電感器等。變壓器、阻流圈、震盪線圈、偏轉線圈、天線線圈、中周、繼電器以及延遲器和磁頭等,都輸電感器種類。
2、電感器的主要技術指標
電感量:L
3、電感器的標誌方法:
a、指標法。
b、數碼錶示法。
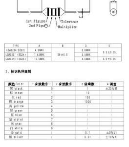
c、色碼錶示法。這種表示法也與電阻器的色標法相似,色碼一般有四中顏色,前兩種顏色為有效數字,第三種顏色為倍率,單位為uH,第四種顏色是誤差位。
有效數字乘以倍率再取第二位的百分比,就能基本看出電感量。

相關搜尋

熱門詞條

聯絡我們