
特點及功能:
1、發聲啟控:在開關附近用手其他方式(或吹口哨、喊叫等)而發出一定聲響,就能立即開啟燈光及用電器,得心應手。2、自動測光:採用光敏控制,該開關在白天或光線強時不會因聲響而開啟用電器。
3、延時自關:開關一旦受控開啟便會延時數十秒後將自動關斷,減少不必要的電能浪費,實用方便。
4、延時用電器使用壽命。
5、用廣泛:本產品可用於各類樓道、走廊、衛生間、陽台、地下室車庫等場所的自動延時照明。
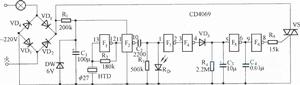
一、聲光控電路

電源控制
:首先在上圖可以看到,我們日常用的220V加在4個二極體組成的單向橋式整流電路之間,220V的交流電經過整流之後送到100K電阻處,通過100K的電路進行限流,9.1V的穩壓管進行穩壓和47μf的電容濾波,從而得到7.5V的電壓,以保持其後電路的正常工作。
整流:
對於4個二極體而言,從左至右,從上至下,我們將其分為VD1,VD2,VD3,VD4。當交流信號的正半周的時候,二極體VD1,VD4導電,VD2,VD3截止;當信號變化為負半周的時候,VD2,VD3導電,VD1,VD4截止。正、負半周均有電流流過後面的負載電阻,而且無論在正半周還是負半周,流過後面的負載電阻的電流方向是一致的,因而使輸出電壓的直流成分得到提高,脈衝成分被降低。
由圖可見,橋式整流電路無需採用具有中心抽頭的變壓器,仍能達到全波整流的目的。而且,整流二極體承受的反向電壓也不高,但是電路中需要四個整流二極體。
在橋式整流電路中,負載上得到的直流電壓實際上為輸入電壓有效值的90%這個結果是在理想情況下得到的,如果考慮到整流電路內部二極體正向內阻和變壓器等效內阻上的壓降,輸出直流電壓的實際數值還要低一些。

濾波:
無論哪種整流電路,它們的輸出電壓都含有較大的脈動成分。除了在一些特殊的場合可以直接用作放大器的電源外,通常都要採取一定的措施,一方面儘量降低輸出電壓中的脈動部分,另一部分又要儘量保留其中的直流成分,使輸出電壓接近於理想的直流電壓。這樣的措施就是濾波。並聯電容以後,在信號的正半周,當二極體VD1,VD4導電時,二極體導電時,除了有一個電流流向負載外,同時還有一個電流向電容充電,電容電壓的極性為上正下負,如果忽略二極體的內阻,則在二極體導通時,輸出電壓等於輸入電壓。當信號達到最大值以後開始下降,此時電容上的電壓也將由於放電而逐漸下降。當信號小於電容電壓時,二極體VD1,VD4被反向偏置,因而不導電,於是電容電壓以一定的時間常數按指數規律下降,直到下一個半周,當信號的絕對值大於電容電壓的時候,二極體VD2,VD3導通。
對於電容濾波可以得到下面幾個結論:
1.加了電容濾波以後,輸出電壓的直流成分提高了。
2.加了電容濾波以後,輸出電壓中的脈動成分降低了。這是由於電容的儲能作用造成的。當二極體導電時,電容被充電,將能量儲存起來,然後在逐漸放電,把能量傳送給負載,因而輸出波形比較平滑。
3.電容放電的時間常數τ=RC愈大,放電過程愈慢,則輸出電壓愈高,同時脈動成分也愈少,即濾波效果愈好。
4.接入電容之後,整流二極體的導電時間縮短了。二極體的導電角〈180°,而且電容放電時間常數愈大,則導電角愈小。由於加了電容濾波以後,平均輸出電流比原來提高了,而導電角卻減小了,因此,整流管在短暫的導電時間內流過一個很大的衝擊電流,對管子的壽命不利,所以必須選擇較大容量的整流二極體。
穩壓:
穩壓二極體的穩壓原理:穩壓二極體的特點就是擊穿後,其兩端的電壓基本保持不變。這樣,當把穩壓管接入電路以後,若由於電源電壓發生波動,或其它原因造成電路中各點電壓變動時,負載兩端的電壓將基本保持不變。故障特點:穩壓二極體的故障主要表現在開路、短路和穩壓值不穩定。在這3種故障中,前一種故障表現出電源電壓升高;後2種故障表現為電源電壓變低到零伏或輸出不穩定。
二、單向可控矽的控制
在分析其工作原理前,先來介紹一下單向可控矽的工作原理。
可控矽是P1N1P2N2四層三端結構元件,共有三個PN結,分析原理時,可以把它看作由一個PNP管和一個NPN管所組成,


由於可控矽只有導通和關斷兩種工作狀態,所以它具有開關特性,這種特性需要一定的條件才能轉化
表1 可控矽導通和關斷條件表
| 狀態 | 條件 | 說明 |
| 從關斷到導通 | 1、陽極電位高於陰極電位 2、控制極有足夠的正向電壓和電流 | 兩者缺一不可 |
| 維持導通 | 1、陽極電位高於陰極電位 2、陽極電流大於維持電流 | 兩者缺一不可 |
| 從導通到關斷 | 1、陽極電位低於陰極電位 2、陽極電流小於維持電流 | 任一條件即可 |
三、光敏控制部分
從電路原理圖中可以看出,當白天或者亮度大於一定程度的時候,光敏電阻的阻值非常的小,這樣對於光敏的支路來說,相當於直接接地,則相當於將後面的電路和前面的電路隔離開來,三極體②就始終處於截止的狀態,單向可控矽無觸發電流就不會導通,電路就不會工作。當黑暗無光的情況下,光敏電阻呈現高阻值狀態,不影響三極體①和三極體②之間的信號傳送。此時,聲控的部分才能夠發揮作用。
四、聲控部分
當有足夠信號的聲音傳入的時候,聲控部位將聲音信號轉化為電信號,通過三極體①將其信號放大,使的其信號的大小能夠觸發三極體②。電路的第一級和第二級之間通過電阻和電容元件連線,故稱為阻容耦合放大電路。阻容耦合的優點是,由於前、後級之間通過電容相連,所以各級的直流電路互不相通,每一級的靜態工作點都是相互獨立的,不致互相影響,這樣就給分析、設計和調試帶來很大的方便。而且,只要耦合電容選的足夠大,就可以做到前一級的輸出信號在一定的頻率範圍內幾乎不衰減地加到後一級 的輸入端上去,使信號得到了充分的利用。
經過測試,三極體②在有聲音信號的情況下基極和射極之間產生偏置電壓,使的三極體②導通。三極體②的導通使的其集電級電壓降低,從而使的三極體9015導通,電流經過二極體1n4148傳向三極體③,同時也對電容充電。當三極體③導通的時候,單向可控矽PCR406得到一個能夠使其導通的電流。當單向可控矽導通的時候燈即能正常變亮。
當聲音信號消失的時候,二極體截止,三極體②和三極體9015都不再工作,但是通過電容放電,使三極體③仍然能夠再導通一段時間,還能對單向可控矽提供電流。這樣的延遲不至於在信號消失的時候燈就不亮了,可實用性高。當電容的電量放完之後,電路恢復最開始沒有信號的時候。當聲音信號再進來的時候,重複循環以上的情況。

