基本介紹
電子槍的主要作用是發射電子、加速電子並使其聚焦成束。電子槍由陰極、控制柵極和陽極組成。電子束的強度由控制信號(視頻信號)控制,並可以調節。經過加速後的高速電子束具有足夠的動能,在轟擊螢光屏上的螢光物質時可以使螢光質發出輝光,即將電子束的動能轉化為螢光質所發出的光能。
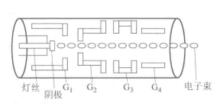
在不同類型的顯像管中,組成電子槍的電極數量及電極的結構均有所不同。圖1所示的電子槍中共有4對電極G、G、G、G,以及燈絲和陰極。下面介紹各自的作用。
圖1 電子槍結構示意圖圖中的 燈絲又稱為 加熱器,當其加上電壓後,產生的熱量用於加熱陰極。電子槍的 陰極為圓筒形,其筒底端面上敷塗著具有高度放射能力的金屬氧化物,能產生高密度的脈衝放射電流。當其內的加熱燈絲將陰極加熱到約800℃時,其表面的金屬活性物質受熱向外發射電子。電視機的視頻信號就加在該陰極上。
G稱為 控制柵極,是一個金屬圓筒,它罩在陰極外面。在圓筒底部的膜片上開有3個小圓孔,可分別使3個陰極所發射的電子流通過。柵極離陰極最近,因而對陰極表面處電場的影響最為直接。改變控制極與陰極之問的電壓,可以明顯地改變陰極表面處的電場強度,決定陰極是否發射電子流以及電子流的密度,從而控制顯示亮度。
G稱為 第一陽極,裝在控制極G和聚焦極G之間,其結構與控制極相仿。第一陽極上加有100伏至數百伏的直流電壓,用以吸引由陰極發射出來的電子流,形成向螢光屏前進的電子束。
G稱為 聚焦極,為圓筒形,其入口端做成橢圓筒形。它的出口端和入口端處均裝有膜片,膜片與控制柵極和第一陽極的膜片一樣,都為單片三孔結構,3個圓孔的位置與3個陰極的發射端面精確對應。聚焦極上加有數千伏的直流電壓,除了與第一陽極一樣具有對陰極電子流的吸引作用外,主要用以實現對電子束的聚焦。
G稱為 第二陽極或 高壓陽極,它位於電子槍的最末端,加有十幾千伏或更高的電壓,以實現對電子束的加速。第二陽極的形狀與聚焦極相似,為兩端裝有三孔單片膜片的圓筒,其出口端為大直徑的禁止圓筒。第二陽極與管內錐體上敷塗的石墨層相連線 。
聚焦極控制
控制電子注電流的強迫方式是在陰極和陽極間加電壓,如表1(a)所示。為了控制電流,可以在陰極和陽極間放置一個第二陽極(也叫 調製陽極),如表1(b)所示。在有些電子槍中,電流可以由 聚焦極控制,如表1(c)所示。最後,在大多數套用中,電流控制是由靠近陰極面的 一個或多個柵極來實現的,如表1(d)所示。柵極控制方式廣泛套用於TWT。
聚焦極 | 聚焦極 |
聚焦極 | 聚焦極 |
如果在控制電極上加足夠大的負電壓,可以將電流減小到0。在陰極中心加一附加電極,可以降低使電子注截止所需要的電壓,見圖2。
圖2帶控制聚焦極的電子槍用控制聚焦電極開啟電子注時,其上所加電壓接近或等於陰極電壓。為了關閉電子注,控制聚焦極上應加比陰極低得多的電壓。由於在電子槍中發生的嚴重散焦,該系統並不用於電流的直接控制 。
顯像管的基本結構
顯像管有多種類型,其外形尺寸、內部結構各不相同,但顯像管主要由五部分組成:電子槍(electron gun)、偏轉線圈(defection coils)、蔭罩板(shadow mask)、螢光粉層(phosphor)及玻璃外殼。其結構簡圖如圖3所示 。
圖3聚焦極常見故障
顯像管聚焦極電壓跌落的修複方法
此故障表現為剛開機時圖像模糊,約0.5h後圖像逐漸恢復清晰。修複方法如下:
1)可用加熱烘乾法或調聚焦極電壓的方法修復,但此法治標不治本。
2)更換顯像管管座法。斷電,將顯像管尾部電路板小心向後拔出,然後用電烙鐵和吸錫器拆下白色管座。更換一隻同型號管座。開機後如圖像還不夠清晰,可微調行輸出變壓器上的聚焦旋鈕直至圖像清晰為止。更換時應注意再將拔出顯像管尾部電路板時,不要左右搖晃,以免折斷顯像管尾部的抽氣封口而造成顯管報廢;調節聚焦旋鈕時,不要碰動加速極電壓調節旋鈕,否則會影響顯像管的工作狀態,即使要調節,也要在調節前標記它們的原始位置,以備還原 。
顯像管管座聚焦極對尾板放電的修理方法
由於顯像管的管座緊貼在尾板上,聚焦極與尾板上的元器件或金屬跳線容易出現因距離過近而產生放電現象。產生此故障時尾板上相應部位常常出現變色現象,處理方法是將尾板變質部分刮淨,再用704矽橡膠抹平,再從舊管座的聚焦蓋上剪下較大的一片塑膠塊,塗上704矽橡膠粘在新管座的底部,以將管座的圓孔蓋住,即可完全排除此類故障 。
彩色顯像管管座聚焦極漏電的修理方法
彩色顯像管聚焦極電壓大多都是通過顯像管座上具有脈衝電壓放電腔的凸起插座供給。由於這種空腔結構,加之高壓的吸濕作用,易使放電腔內的放電電極絕緣電阻降低,導致聚焦極電壓下降或高壓短路,引起圖像模糊不清等故障的發生。一般採用清洗或更換管座的辦法進行處理,但不久故障又會重現。由於該故障都是由放電腔所引起的,故採用取消放電腔室(即使有高壓脈衝也會通過自製的放電器泄掉),直接給聚焦極供電的方法進行。此方法既不用換新管座,又能徹底解決聚焦漏電的問題。其操作方法如下:
1)從顯像管上拔下管座(連同視放尾板),用尖嘴鉗或烙鐵頭將凸起的聚焦極插座扳掉,並將從聚焦極插孔取出的金屬插片整形(插片全長約12~15mm,若長度不夠,請在無插孔的一端加長,以末端超出視放尾板平面5mm為宜),並套上絕緣管。
2)用電鑽(鑽頭直徑為6~8mm的)將聚焦極剩下部分連同視放尾板一起鑽穿,並將聚焦極金屬插片這一端從圓孔邊切斷。
3)將聚焦極引線焊在金屬插片上,並將插孔端插在顯像管聚焦極上。然後將聚焦極引線末端稍後處固定在視放尾板上。
4)取一段長約3cm、直徑約1.2mm的銅線,一端焊在尾板的地線上,另一端對準聚焦極引線的焊點,並調整距離3~4mm為宜,作為自製放電器,改制完後,可始終保持聚焦極連同整個供電系統均處在良好乾燥的環境中 。

聚焦極
聚焦極
聚焦極
聚焦極 