設備簡介
泥漿處理設備作為現代基礎施工中的一款環保型樁基輔機設備,正越來越多的套用在例如採用泥漿護壁工藝的旋挖鑽施工,循環鑽進工藝的樁基施工、連續牆施工、泥水平衡法盾構施工和泥水頂管施工等非開挖性樁基基礎施工中。該設備可以有效的提高造孔質量和造孔工效、縮短清孔時間,降低施工成本、減少卡鑽事故。並且從環保施工角度來看,該類設備同時還實現了泥漿的循環再利用,使以往的廢漿漿罐運輸傾倒處理,轉變為對廢漿實行固液分離,進而實現渣土運輸處理。可大量的節約施工過程中的泥漿處理費用,大大減少施工中的泥漿對環境的污染,提高文明施工,環保施工的現代化水平。
本文將就其工作原理和結構特點做出詳細的介紹。
工作原理
其工作原理如圖1所示。
1–外置泵;2–蓄漿池;3–雙層篩粗篩層; 4–雙層篩細篩層;5–一級入料裝置;6–旋流器;7–中儲箱; 8–主機渣漿泵; 9–反衝控制閥; 10–內循環保護裝置
圖1圖 1 泥漿處理 設備 原理示意圖
外置泵(液壓螺桿泵)1將現場廢漿池中的泥漿抽至振動篩粗篩層3 ,通過振動篩粗篩層3篩分過後,大於2mm以上的顆粒物將會排出,小於2mm的顆粒物會進入蓄漿池2內,此時主機渣漿泵8將蓄漿池2中的泥漿泵送至旋流器6中,經過旋流分離以後,絕大部分淨化分離後的達標漿液,將從旋流器6的溢口流出並進入中儲箱7中,旋流器6所分離出的廢渣則通過其底流口排出,進入振動篩細篩層4上,通過其篩振實現對廢渣的脫水並最終排除。中儲箱7設有兩個出液口,一個是補液口其位置處在蓄漿池2的上方,一個是排放口位置處於蓄漿池2與中儲箱7連線以外的位置;內循環裝置10就安裝在中儲箱7的補液口處,它可以通過平衡蓄漿池2中的液位高度實現中儲箱7對蓄漿池2補液量的控制。當蓄漿池2不需要中儲箱7補水時,中儲箱7的補液口則被內循環裝置10關閉,此時,中儲箱7的排放口將處在連續排漿狀態。反衝控制閥9通過一個三通與主機渣漿泵相連,三通通過管道連線,分別連線旋流器6和主機渣漿泵8以及蓄漿池2,其作用是利用主泵的富餘流量,通過反衝控制閥9實現對蓄漿池2中泥漿的攪拌,防止泥漿在設備內沉澱。
主要參數
例如樁基地連牆施工中常用的RMT200
| 最大泥漿處理量達到 | 200m/h |
| 淨化除砂的分離粒度 | d=0.074㎜ |
| 碴料篩分能力 | 25-80t/h |
| 篩下物最大含水量 | 30% |
| 達到最大淨化除砂效率時污漿的最大比重小於 | 1.25g/cm |
| 馬氏漏斗粘度 | 40s以下 |
| 蘇氏漏斗粘度 | 30s以下 |
| 固相含量小於 | 30% |
| 能處理污漿的最大比重小於 | 1.5g/cm³ |
| 淨化後漿液含砂率 | < 2% |
| 裝機總功率 | 48kW |
| 主泵流量 | 200m/h |
| 主泵電機功率 | 45kW |
| 振動電機(單台)功率 | 1.5kW |
| 設備外形尺寸(長×寬×高) | 4.6m×1.95m×2.95m |
| 整機重量 | 5500㎏(約) |
表 1 主要技術參數
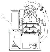
功能簡介
圖3泥漿處理設備,如圖2、3所示,
圖 2 泥漿處理設備一類設備的結構組成 (主視圖)
圖 3 泥漿處理設備一類設備的結構組成 (左視圖)
圖21–機架;2–溢流管;3–爬梯;4–蓄漿池;5–振動篩;6–一級入料裝置;7-旋流器;
8-旋流器溢流管;9-中儲箱;10-旋流器入料管;
11-渣漿泵機組;12-尾排口;13-反衝控制管道總成;
14-排放口;15-電氣控制櫃
它主要由15處零部件組成,各部件功能如下:
1) 機架——主要是用來承載並組合整機中的各個零部件的一個載體平台。
2) 溢流管總成——負責保護蓄漿池4中的總體液位平衡,使進入蓄漿池的多餘泥漿迅速排出,防止設備運行中出現泥漿外溢。
3) 爬梯——安置在整體機架的2側,便於人員對設備進行檢修維護
4) 蓄漿池——具備一定的安全容積,可保障渣漿泵機組11的工作供漿
5) 振動篩——具備雙層分離篩振功能,一層為粗篩層,可將一級入料裝置6供給的廢漿進行首道分離,篩除直徑2mm以上所有雜物。另一層為細篩層,可將旋流器分離出的含有較多固體顆粒的濃縮漿進行脫水篩振,從而使細篩層排除的廢渣含水量穩定在<30%。
6) 一級入料裝置——該裝置是廢漿進入設備的首道機構,它通過輸送管與工地現場中客戶自備的泥漿泵相連,使工地廢漿首先進入到振動篩的粗篩層,進行首次分離,是保證粗篩層平穩入料的重要機構。
7) 旋流器——可對直徑0.06mm以上的固相物進行固液分離,旋流器的底流口插入至振動篩細篩層的上方,以便其分離出的濃縮漿直接排放到粗篩層上。
另外旋流器還有2處管道接口通過旋流器入料管10和旋流器溢流管8,分別與渣漿泵機組11和中儲箱9相連。一個是入料口一個是分離後的清液排放口。
8) 旋流器溢流管——將旋流器分離出的淨化清液,輸送至中儲箱的一套管道裝置。
9) 中儲箱——該裝置在其內部可分為前半段和後半段,箱底的前半段有一個補液口通往蓄漿池4,可以在蓄漿池4出現液位不足的時候將旋流器分離出的清液回流至蓄漿池4中進行補液,實現設備的內循環,以便保護渣漿泵不發生吸空。中儲箱的後半段則可以將急速旋噴出的淨化清液進行降速緩衝,並通過尾排口12,最終將可循環利用的淨化後的清液排除機體。
10) 旋流器入料管——連線渣漿泵機組11與旋流器7的一條耐壓管道,該管道具備耐酸鹼腐蝕,耐磨的特點。
11) 渣漿泵機組——核心動力裝置,由一台45Kw的三相異步電機與渣漿泵組成,泵組傳動形式採用皮帶傳動,可很好的適應不同濃度下的傳動負載變化。傳動連線組裝方便,維護簡潔,可靠性高。
12) 尾排口——與中儲箱後半段相連,該裝置可根據現場排漿需求,將尾排口進行180度範圍內的任意調節,方便客戶的使用需求。
13) 反衝管道總成——連線於渣漿泵和蓄漿池4之間的一套可控制管路,當蓄漿池內的泥漿濃度較大時,為了防止泥漿在蓄漿池內形成沉澱,則可以通過開啟反衝管道總成的控制閥,對蓄漿池內的泥漿進行沖刷攪拌。
14) 排放口——蓄漿池底部帶有蝶閥的一處管道。當設備不用時,可將蝶閥打開,排淨蓄漿池內的所有泥漿。
15) 電氣控制櫃——整機的啟動與控制集成,櫃體自身具備IP55的防護等級,可很好的適應樁基基礎施工在不同環境場合下的套用。
設備使用功效
圖 4 泥漿處理設備一類設備的機構外觀
泥漿處理設備
圖5圖 5 樁基施工用泥漿處理設備的 套用功效展示
1)在旋挖鑽、連續牆抓鬥以及循環鑽施工中利用泥漿處理設備可以實現建築泥漿的循環利用,節約造漿成本以及廢漿的運輸處理成本。
2)經過泥漿處理設備淨化後的可循環用漿,其含砂率<2% ,可確保在上述施工功法條件下的清孔、灌注、護壁的泥漿使用要求。
圖6(左邊為淨化前含砂率>16%,右邊為淨化後含砂率大大<2%)
圖 6 通過泥漿處理設備淨化後的泥漿含砂率前後 對比;
綜上所述樁基施工用泥漿處理設備作為一種樁基輔機,它可以對傳統的建築廢漿進行充分的淨化處理,滿足成樁施工的質量控制要求,其充分淨化所帶來的優點是對土渣、砂、石塊、泥團塊的有效分離,使之有利於提高造孔工效,降低了對膨潤土和其他成分的要求,有利於控制泥漿指標,提高清孔速率和減少卡鑽事故,使成孔的質量得到了顯著的提高。
從經濟效益上來說,這類設備單位時間處理量大,可以大量節約廢棄泥漿的處理費用,大大減少廢漿的外運處理量,節約工程開支,可顯著提高文明施工、環保施工的現代化施工水平。

