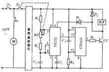
圖中繼電器KR的常閉接點kr和被控制的電器M串聯,繼電器KR的線圈則由電晶體VT控制。電容C經R、RP、R充電,經R2、RP向積體電路NE555的第7腳放電,從而構成了一個能不斷輸出方波的振盪電路(因為方波里含有多種高頻成分,即多種諧波,所以這樣的電路叫“多諧振盪器”)。用電位器RP可調整輸出方波的周期,使之在0.284s-4.858s之間連續變化。方波從NE555的第3腳引出,送到另一個積體電路CD4040的第10腳。這是個12位的二進制計數器,當
定時錄像從NE555來的方波經過了2個周期之後,CD4040的第1腳就會從低電平突變成高電平。在此時與電晶體VT相連的繼電器線圈KP就通電而把被控的電器M斷電。此電路的定時可用RP調整。
圖中的D是給NE555復位用的二極體,每當繼電器KR斷電釋放,下次再工作就重新計時。D是保護電晶體VT用的,因為繼電器KR是個鐵心線圈,電感很大,突然斷電時兩端會產生高電壓,會危及電晶體VT,有了二極體D就把這種感應高壓釋放了。電位器RP帶有開關,不需要定時的情況下用它斷開S,電器M就直接由S控制了。用計數器構成的定時器裡面既然已經有了數字電路,就很容易添加數字顯示,所以往往用數字顯示代替刻度標心。這就是一個完整的脈衝計數器構成的定時器,實際套用就是根據這樣的原理,進行合理的複雜化,可以完成長時間高精度的定時控制。

