電路結構
利用互鎖開關實現免提通話的機構圖免提通話電路中,主要是解決振鳴這一大問題,而振鳴是揚聲器和受話器的反饋信號所引起的,因此在早期的免提電話機中採用如圖所示的辦法來解決。從結構上看,它利用一隻互鎖開關來控制通話。當K1-1閉合時,K1-2會斷開;同理,當K1-1斷開時,K1-2會閉合。這樣,當進行接收時,只要把K1,撥到受話或(接收)的位置,即可實現接收工作;當進行傳送時,只要把K1開關撥到傳送的位置,即可實現傳送工作。這種方法雖然能夠解決振鳴問題,但使用起來很不方便,也不可取。
如果這2種開關狀態能根據傳送和接收狀態自動地進行轉換,就可以省去人工轉換開關的麻煩。這其實是可以實現的。
一般情況下2個人通話時,總是一個人講,一個人聽,不太會有2個人搶著講話的情形,除非爭吵問題時才有這種現象。根據這一經驗,可以用一隻比較放大器來比較傳送信號和接收信號的強弱,從而控制電子轉換開關進行自動地轉換。因此,這種方式的通話又稱為半雙工通話或準雙工通話。由於通話的工作轉換是受聲控的,所以這種免提通話電路又稱聲控電路。
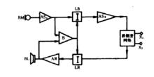
工作原理
在沒有送話信號和受話信號時,免提通話電路應工作在接收信號狀態。這時,電路中的傳送衰減器LS的衰減很大,而接收衰減器LR的衰減很小,從而使接收通路打開,傳送通路關閉。
聲控免提電話機原理圖當用戶對著BM講話時,BM把聲波信號轉變為音頻電流信號,送入放大器AS。進行放大。在AS,放大器的輸出端分:路輸出信號,一路送入比較器B,另一路送入傳送衰減器LS。在比較器B中,將輸入信號的幅度與接收信號的幅度進行比較。當比較出傳送信號的強度大時,比較器就輸出一個高(或低)電平,從而接通傳送衰減器。斷開接收衰減器。這樣,便使傳送衰減器的衰減很小,以保證傳送信號通道的暢通,使免提通話電路進入通話傳送狀態,傳送信號便通過LS送到傳送放大期AS2。經AS2放大後把音頻信號傳送到外線上,與對方電話機進行聯繫。
對方電話機傳送過來的話音電流信號經外線送到接收衰減器LR,然後經LR送到受話功率接收放大器放大,放大後的信號送到比較器B與傳送信號相比較,若受話信號大,比較器會輸出一個低(或高)電平,從而使控制接收通道的接收衰減器LR的衰減大大降低,傳送通路的可變衰減器的衰減增大。此時,免提聲控通話電路處於接收狀態。
在免提通話時,通話人與電話機之間的距離增大了許多,由於這種空氣信道的加長,便帶來了混響感增強與信噪比降低的問題。根據室內的聲學原理可知,用戶講話聲音的一部分直接送入了受話器,另一部分則通過環境的反射後才送進送話器。由於人的聽覺有延遲性,所以直接反射的聲波的作用影響不大。麗那些經牆壁、桌面、地面、天花板等多次反射,以隨機相位送來的混響聲,有些可能未被抵消,這樣就影響了通話的清晰度,便產生了所謂的空洞效應。混響的存在,一方面使送話的直達聲與室內殘響所造成的混響聲之間的電平差減小,混響感增大;另一方面也使室內語言和噪音電平差減少,使信號的信噪比降低。
分類
免提式電話機分半免提式電話機和全免提式電話機。
半免提話機:具有不拿起手柄就可以撥號並能聽到信號音及對方講話功能的話機,但若要講話,必須拿起手柄。
全免提話機:具有不拿起手柄就可以撥號、講話與聽話功能的話機。

