電容傳遞過電壓
當變壓器的高壓繞組或高壓線路中出現對地零序電壓,通過電容聯繫而傳遞到低壓繞組或低壓線路所形成的過電壓。產生零序電壓的原因是由於斷線、斷路器的不同期分合、不對稱接地故障或者發生諧振現象。
平行的輸電線路間也可能出現類似的過電壓。
在三繞組變壓器中,當低壓繞組空載時,由中壓繞組向低壓繞組通過電容耦合傳遞過電壓較為典型。
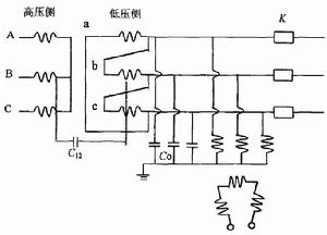
如某水電廠1號主變,其220kV繞組和66kV繞組承擔由220kV系統向66kV地區負荷轉供電能的任務,但該廠發電機處於停機狀態,故該變壓器低壓繞組相當於開路。由於66kV系統在調整消弧線圈時產生了嚴重的串聯諧振過電壓,此高幅值零序性質的過電壓經繞組間的電容傳遞於低壓側,導致發電機型磁吹避雷器爆炸並引起該變壓器低壓繞組出口的三相短路,同時該主變中、高壓側斷路器跳閘。防止這類事故的有效措施對於發電廠側來講就是在其主變低壓側加裝適量的電容器,把傳遞過電壓控制下來。
電容引起的傳遞過電壓出現的根源
電機迴路在大型重要設備的供電迴路中,往往採用雙電源供電,其中一路電源為備用,變壓器的二次側處於空載狀態。處於空載狀態的變壓器二次側母線經常會發生虛假的接地信號,而且從壓變二次側測得的電壓數據與系統真接地的狀況完全一樣。通過分析,認為此種現象是由電容傳遞的過電壓引起的。
變壓器的正序電壓和負序電壓是按繞組的變比關係(電磁關係)傳遞的,而零序電壓則通過高低壓繞組間的電容而傳遞。
電容傳遞過電壓是由於中性點產生了位移而造成的,所以分析電容傳遞過電壓出現的根源可以從產生中性點位移電壓的原因著手。
抑制電容傳遞過電壓的改進方向
從電容傳遞過電壓的特點(參見概述圖),我們可以找出其主要原因是由於在空載狀態下,C較C小得多,以致於高壓側的位移電壓在C上得到較大的分壓。如果設法增大C到某一適當值,使位移電壓較多地降落在C上。具體的可以在低電壓側三相對地間加裝電容器組來補償。對於滌綸部大電機供電迴路,可以採取改變運行方式斷開電機側閘刀(參見上圖),合上母線開關,使電纜充電,通過電纜線路的對地電容來補償。

