定義
二進加法規則二進位的加法和普通十進位的加法一樣,對應的數元分別相加,每個數元相加結果產生一個“和”以及一個“進位”,這個進位又得再次加到較高位次的數元。對應的數元相加時必須根據一套加法規則以獲得得“和”及“進位”,十進位加法要根據十進規則,同理,二進位的加法也要根據二進加法規則,如右圖所示,即二進加法的的二進加法規則,該規則為二進加法的運算基礎。
二進加法器
二進半加器
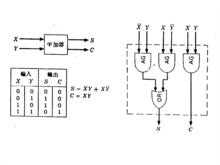
半加器二進算術原件中有一個基本的單位,我們稱作半加器,半加器的作用是加兩個二進數位,產生一個和以及一個進位,其加法規則與二進加法規則一致,如右圖所示是一個半加器的設計,半加器有兩個輸入X和Y,以及兩個輸出S和C。
二進加法一個四分之一加器是半加器去掉進位輸出,其邏輯表示式是。
二進全加器
當所要加的數位超過兩位時,即是一位數一個半加器也是不妥的,因為半加器並沒有進位輸入已處理別的進位。考略下面二數的加法:
二進加法
全加器可以看出每行所產生進位必須在加法過程中考慮,因此若能把兩個暫存器的內容加起來,電路就必須給進位留位置,正和加數被加數一般。因此一個多位加法器的每一位都有三個輸入——除最小位外。
二進加法
二進加法
二進加法全加器就是可以處理進位的加法器,如右圖所示,全加器有三個輸入:X,Y輸入各從所要加的暫存器而來,輸入則是為了前一位所產生的任何進位而設的,兩個輸出的是S和,S是該加法的輸出值,則製造進位加到下一位去。
一個全加器可以由兩個半加器組成,但這樣做卻並非是全加器最經濟的做法。

